Dolmar Benzin 2-Takt MS27C 4 Bedienungshandgriff kpl. Ersatzteile
4 Bedienungshandgriff kpl. MS27C

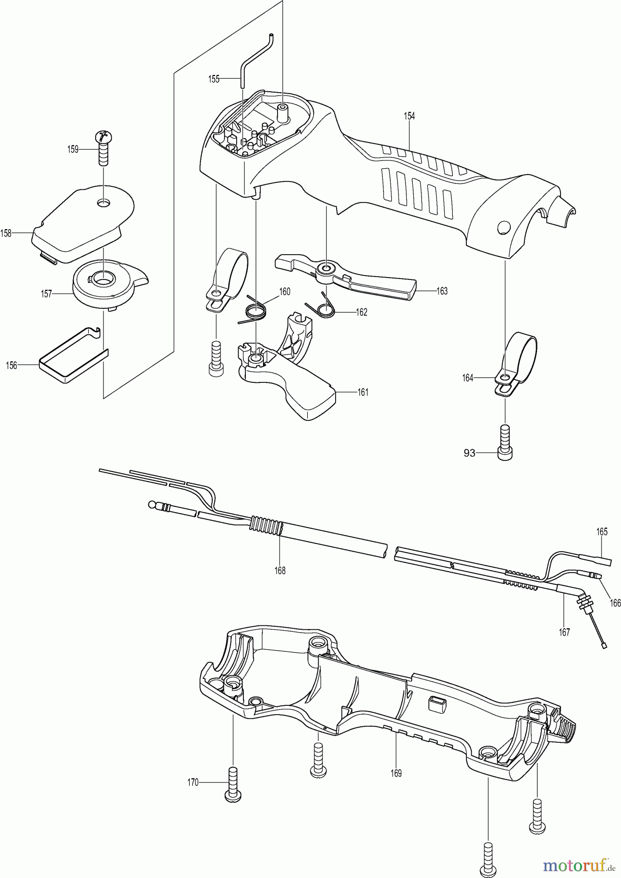
Hier finden Sie die Ersatzteilzeichnung für Dolmar Motorsensen & Trimmer Benzin 2-Takt MS27C 4 Bedienungshandgriff kpl.. Wählen Sie das benötigte Ersatzteil aus der Ersatzteilliste Ihres Dolmar Gerätes aus und bestellen Sie einfach online. Viele Dolmar Ersatzteile halten wir ständig in unserem Lager für Sie bereit.
| BildNr | Artikel Nummer | Bezeichnung | |
| 93 | 671000143 | SCHRAUBE M5X14 (W,SW) | |
| 154 | DA00000460 | GRIFFHÄLFTE LINKS | |
| 155 | DA00000461 | ARRETIERSTIFT | |
| 156 | DA00000462 | BLATTFEDER | |
| 157 | DA00000463 | SCHALTHEBEL | |
| 158 | DA00000464 | SCHALTERDECKEL | |
| 159 | DA00000465 | SCHNEIDSCHRAUBE PT3X16 | |
| 160 | DA00000466 | DREHFEDER | |
| 161 | DA00000467 | GASHEBEL | |
| 162 | DA00000468 | DREHFEDER | |
| 163 | DA00000469 | RASTHEBEL | |
| 164 | DA00000470 | SCHELLE 24 | |
| 165 | DA00000471 | KABEL | |
| 166 | DA00000472 | KABEL | |
| 167 | 671000473 | BOWDENZUG | |
| 168 | DA00000474 | FALTENSCHLAUCH | |
| 169 | DA00000475 | GRIFFHÄLFTE RECHTS | |
| 170 | DA00000476 | SCHNEIDSCHRAUBE PT4X18 | |



