Dolmar Benzin 2-Takt MS-26 C 3 Kurbelgehäuse, Zylinder, Schalldämpfer, Zündung Ersatzteile
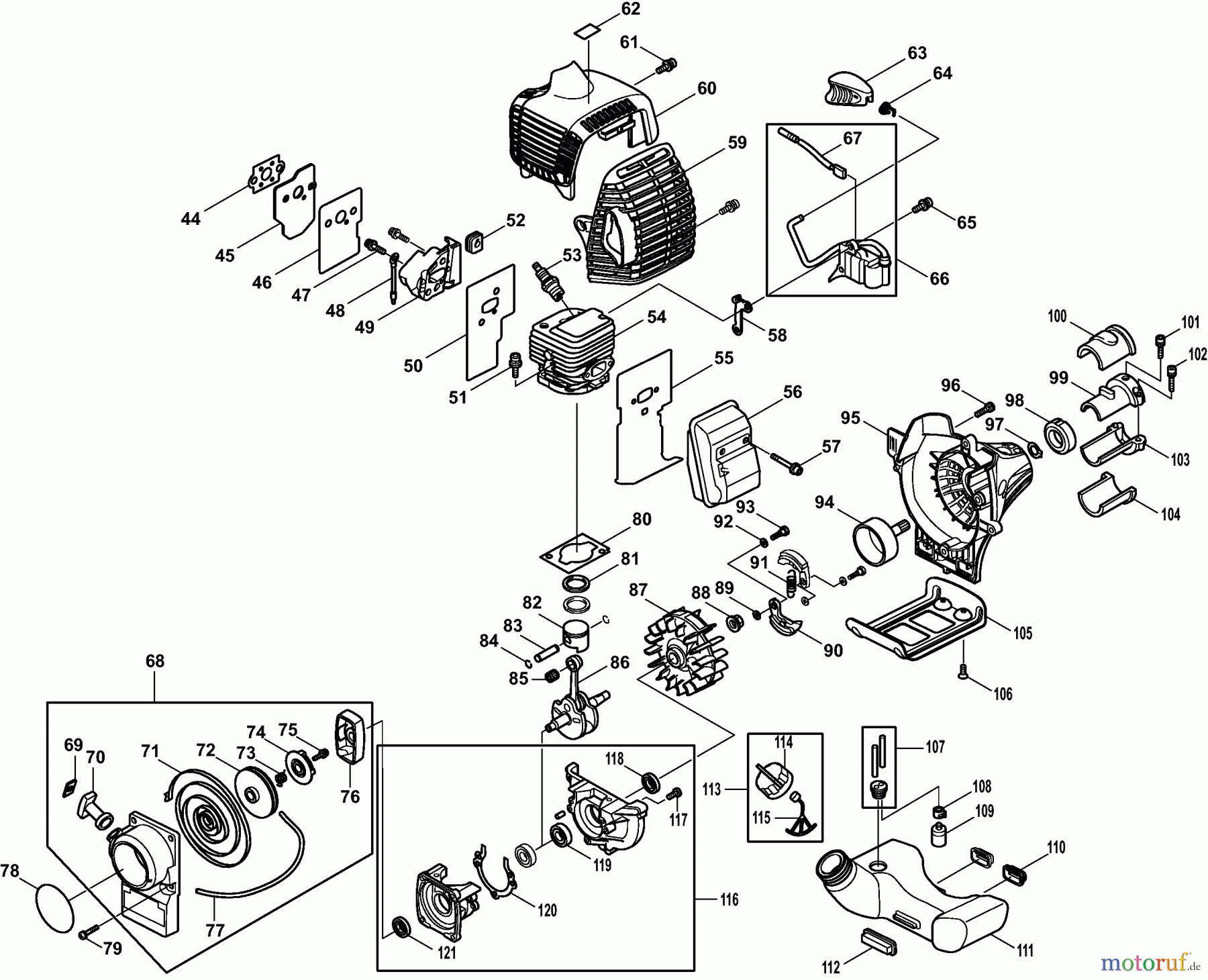
3 Kurbelgehäuse, Zylinder, Schalldämpfer, Zündung MS-26 C

Hier finden Sie die Ersatzteilzeichnung für Dolmar Motorsensen & Trimmer Benzin 2-Takt MS-26 C 3 Kurbelgehäuse, Zylinder, Schalldämpfer, Zündung. Wählen Sie das benötigte Ersatzteil aus der Ersatzteilliste Ihres Dolmar Gerätes aus und bestellen Sie einfach online. Viele Dolmar Ersatzteile halten wir ständig in unserem Lager für Sie bereit.
Häufig benötigte Dolmar Benzin 2-Takt MS-26 C 3 Kurbelgehäuse, Zylinder, Schalldämpfer, Zündung Ersatzteile

Artikelnummer: DR163447-0
Suche nach: 163447-0
Hersteller: Dolmar
Dolmar Ersatzteil 3 Kurbelgehäuse, Zylinder, Schalldämpfer, Zündung
Suche nach: 163447-0
Hersteller: Dolmar
Dolmar Ersatzteil 3 Kurbelgehäuse, Zylinder, Schalldämpfer, Zündung
4.79 €
für EU incl. MwSt., zzgl. Versand




