Dolmar Benzin 2-Takt LT-250 (USA) 4 Hauptrohr, Griff, Schutzhaube, Getriebegehäuse, Vergaser, Luftfilter, Zubehör Ersatzteile
4 Hauptrohr, Griff, Schutzhaube, Getriebegehäuse, Vergaser, Luftfilter, Zubehör LT-250 (USA)

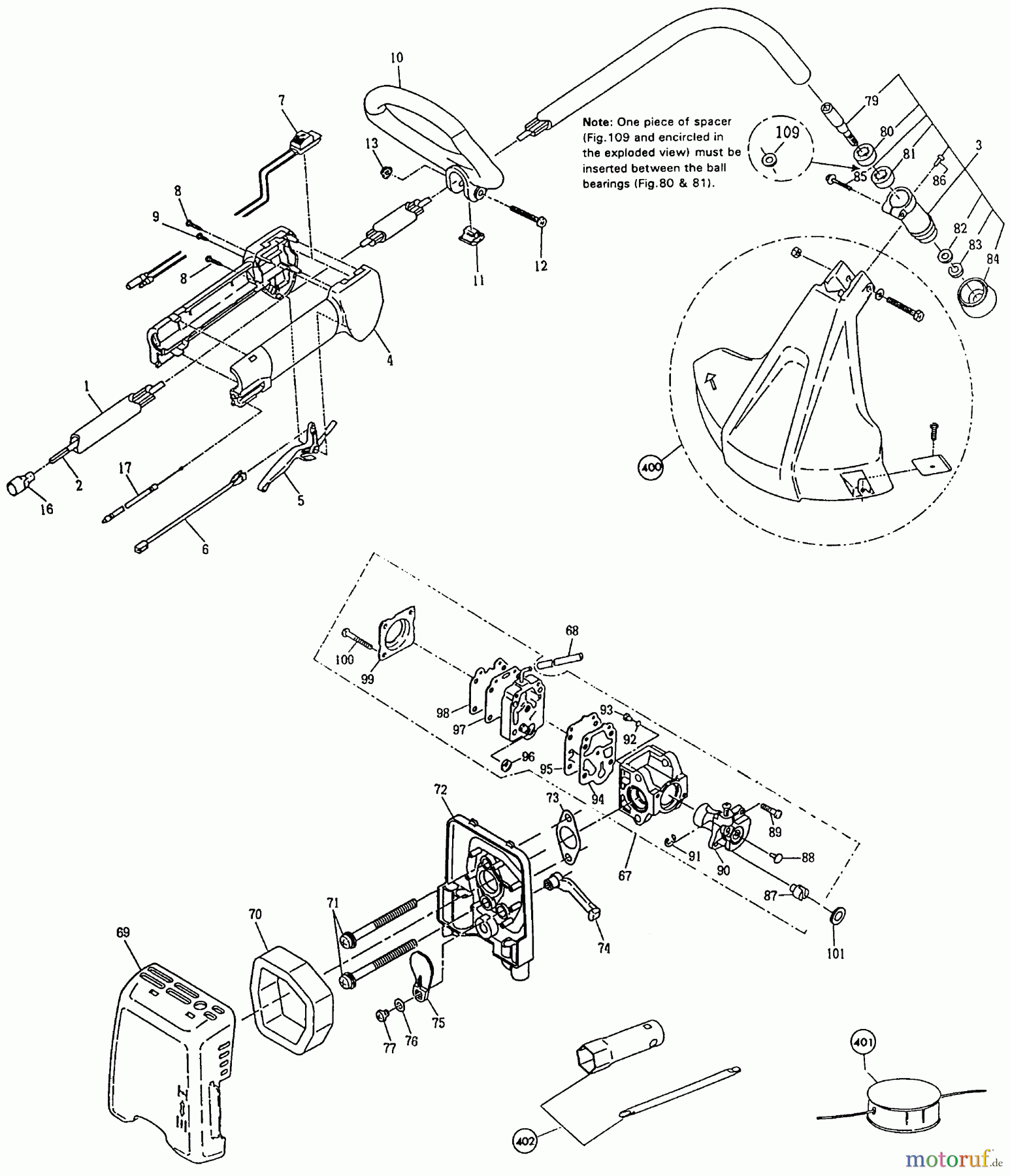
Hier finden Sie die Ersatzteilzeichnung für Dolmar Motorsensen & Trimmer Benzin 2-Takt LT-250 (USA) 4 Hauptrohr, Griff, Schutzhaube, Getriebegehäuse, Vergaser, Luftfilter, Zubehör. Wählen Sie das benötigte Ersatzteil aus der Ersatzteilliste Ihres Dolmar Gerätes aus und bestellen Sie einfach online. Viele Dolmar Ersatzteile halten wir ständig in unserem Lager für Sie bereit.








