Dolmar Benzin 2-Takt LT250 5 Tragrohr, Handgriff, Schutzhaube Ersatzteile
5 Tragrohr, Handgriff, Schutzhaube LT250

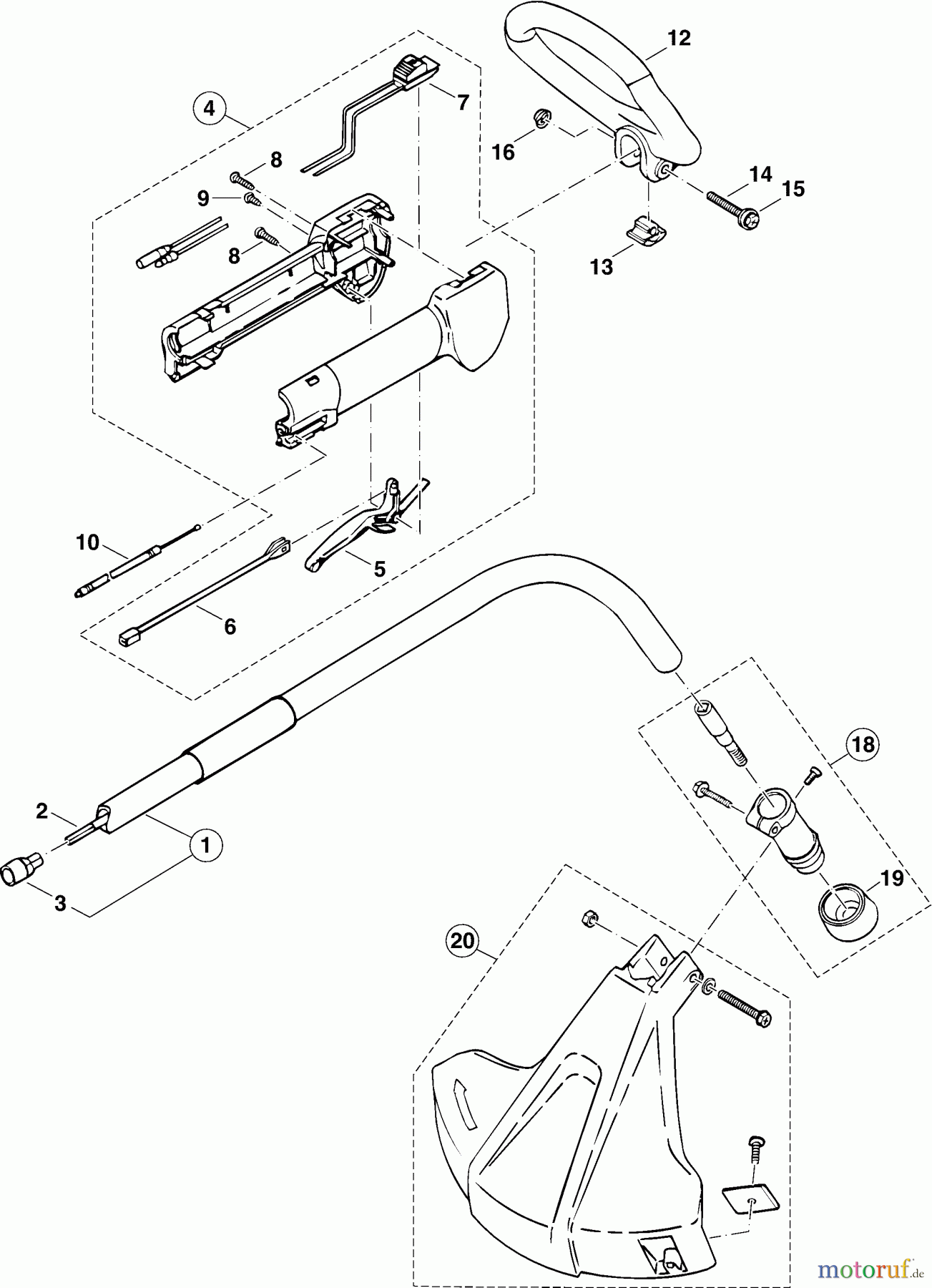
Hier finden Sie die Ersatzteilzeichnung für Dolmar Motorsensen & Trimmer Benzin 2-Takt LT250 5 Tragrohr, Handgriff, Schutzhaube. Wählen Sie das benötigte Ersatzteil aus der Ersatzteilliste Ihres Dolmar Gerätes aus und bestellen Sie einfach online. Viele Dolmar Ersatzteile halten wir ständig in unserem Lager für Sie bereit.
Häufig benötigte Dolmar Benzin 2-Takt LT250 5 Tragrohr, Handgriff, Schutzhaube Ersatzteile


Qualitätsmanagement
Informieren Sie uns, wenn Sie einen Fehler gefunden haben.



