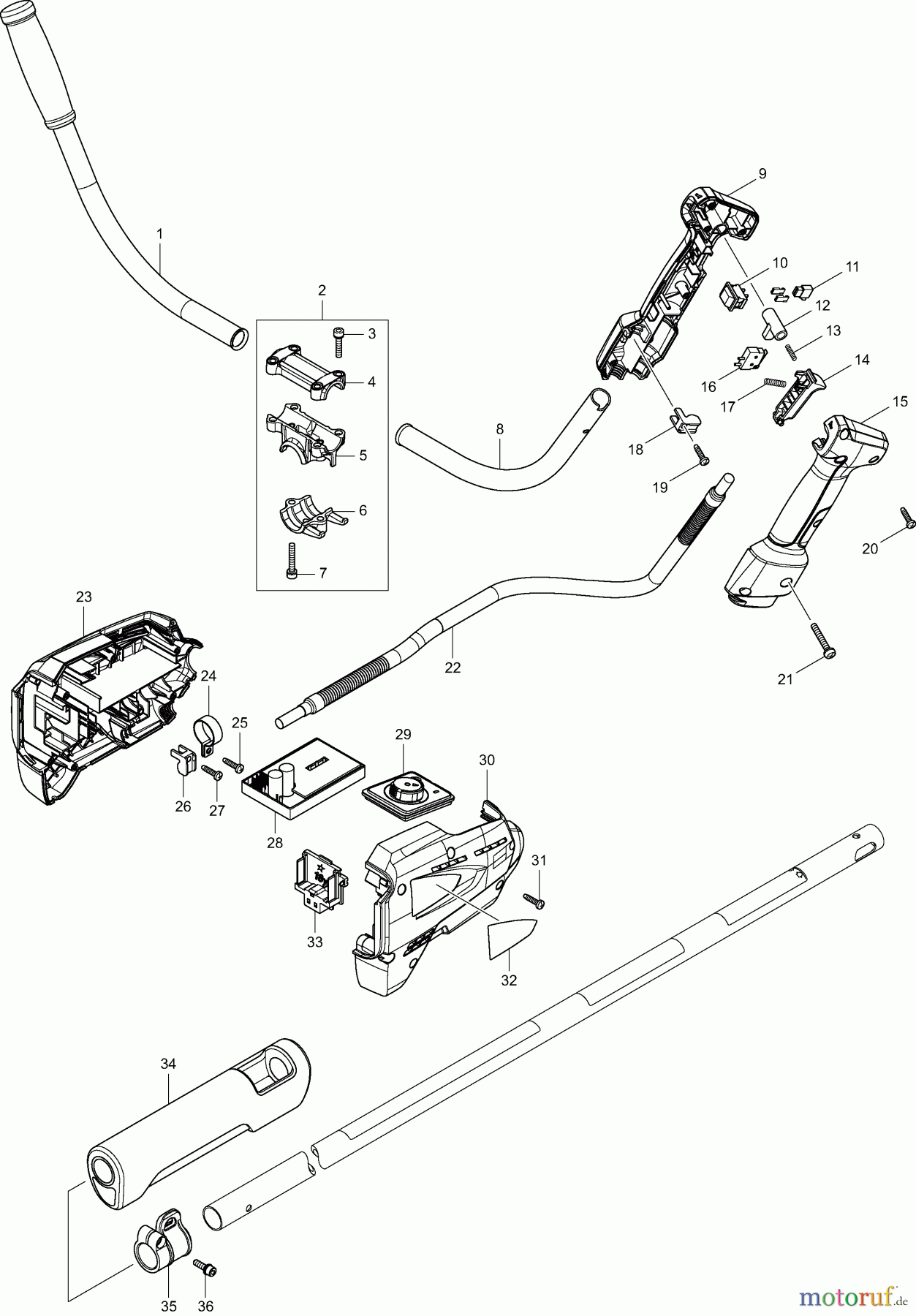
Dolmar Akku AT1831U 1 Schaftrohr, Handgriff Ersatzteile
1 Schaftrohr, Handgriff AT1831U

Hier finden Sie die Ersatzteilzeichnung für Dolmar Motorsensen & Trimmer Akku AT1831U 1 Schaftrohr, Handgriff. Wählen Sie das benötigte Ersatzteil aus der Ersatzteilliste Ihres Dolmar Gerätes aus und bestellen Sie einfach online. Viele Dolmar Ersatzteile halten wir ständig in unserem Lager für Sie bereit.


Qualitätsmanagement
Informieren Sie uns, wenn Sie einen Fehler gefunden haben.

