Dolmar Akku AL-3630 1 Schaftrohr, Handgriff Ersatzteile
1 Schaftrohr, Handgriff AL-3630

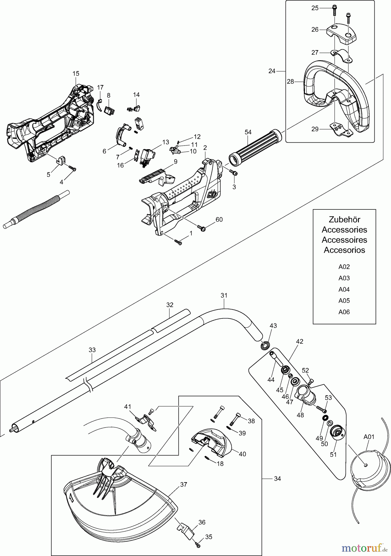
Hier finden Sie die Ersatzteilzeichnung für Dolmar Motorsensen & Trimmer Akku AL-3630 1 Schaftrohr, Handgriff. Wählen Sie das benötigte Ersatzteil aus der Ersatzteilliste Ihres Dolmar Gerätes aus und bestellen Sie einfach online. Viele Dolmar Ersatzteile halten wir ständig in unserem Lager für Sie bereit.



