Dolmar Elektro Kettensäge ES164TLC 2 Ölpumpe, Kettenbremse, TLC Ersatzteile
2 Ölpumpe, Kettenbremse, TLC ES164TLC

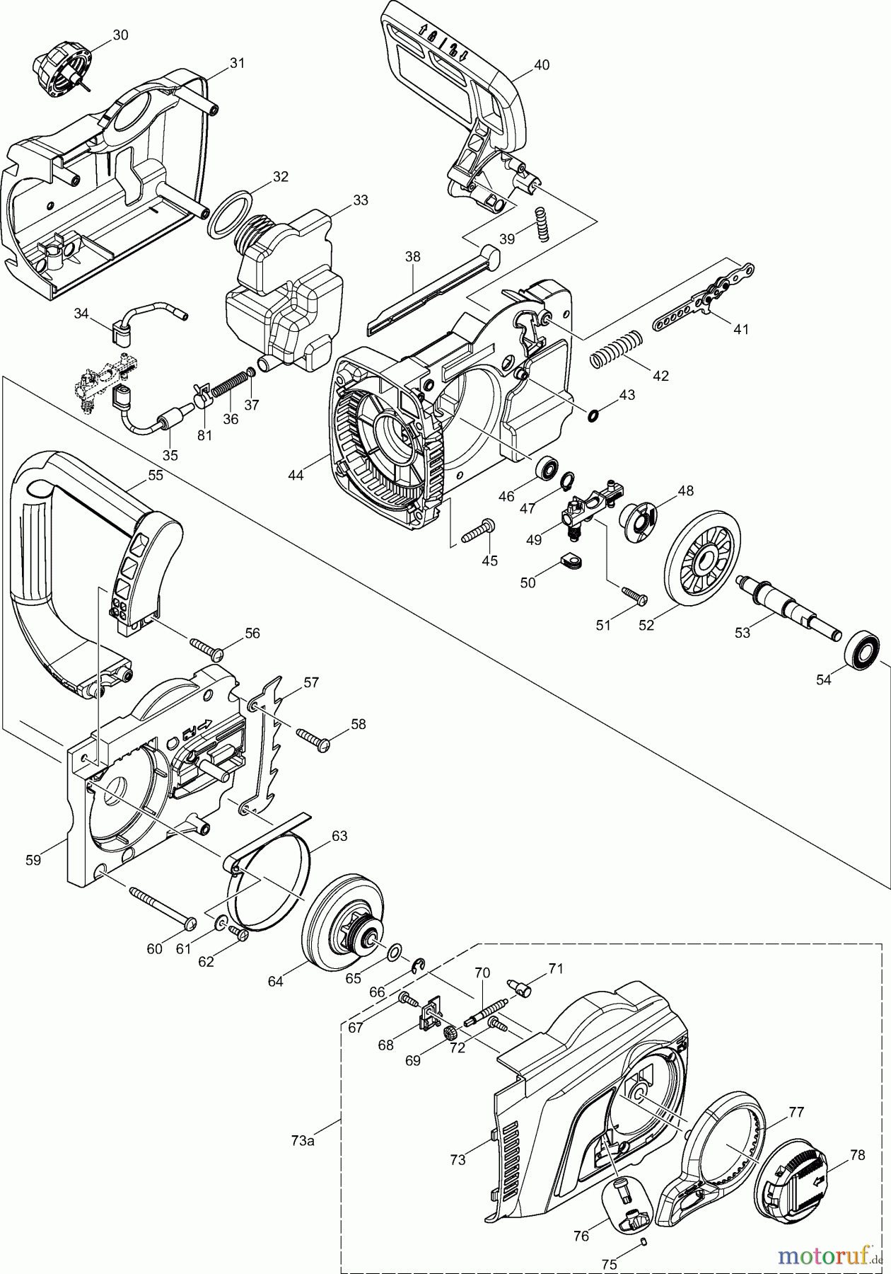
Hier finden Sie die Ersatzteilzeichnung für Dolmar Kettensägen Elektro Kettensäge ES164TLC 2 Ölpumpe, Kettenbremse, TLC. Wählen Sie das benötigte Ersatzteil aus der Ersatzteilliste Ihres Dolmar Gerätes aus und bestellen Sie einfach online. Viele Dolmar Ersatzteile halten wir ständig in unserem Lager für Sie bereit.
Häufig benötigte Dolmar Elektro Kettensäge ES164TLC 2 Ölpumpe, Kettenbremse, TLC Ersatzteile

Artikelnummer: DR221427-3
Suche nach: 221427-3
Hersteller: Dolmar
Dolmar Ersatzteil 2 Ölpumpe, Kettenbremse, TLC
Suche nach: 221427-3
Hersteller: Dolmar
Dolmar Ersatzteil 2 Ölpumpe, Kettenbremse, TLC
4.47 €
für EU incl. MwSt., zzgl. Versand






