Dolmar Benzin Kettensäge PS-6400 HS 7 Vergaser Ersatzteile
7 Vergaser PS-6400 HS

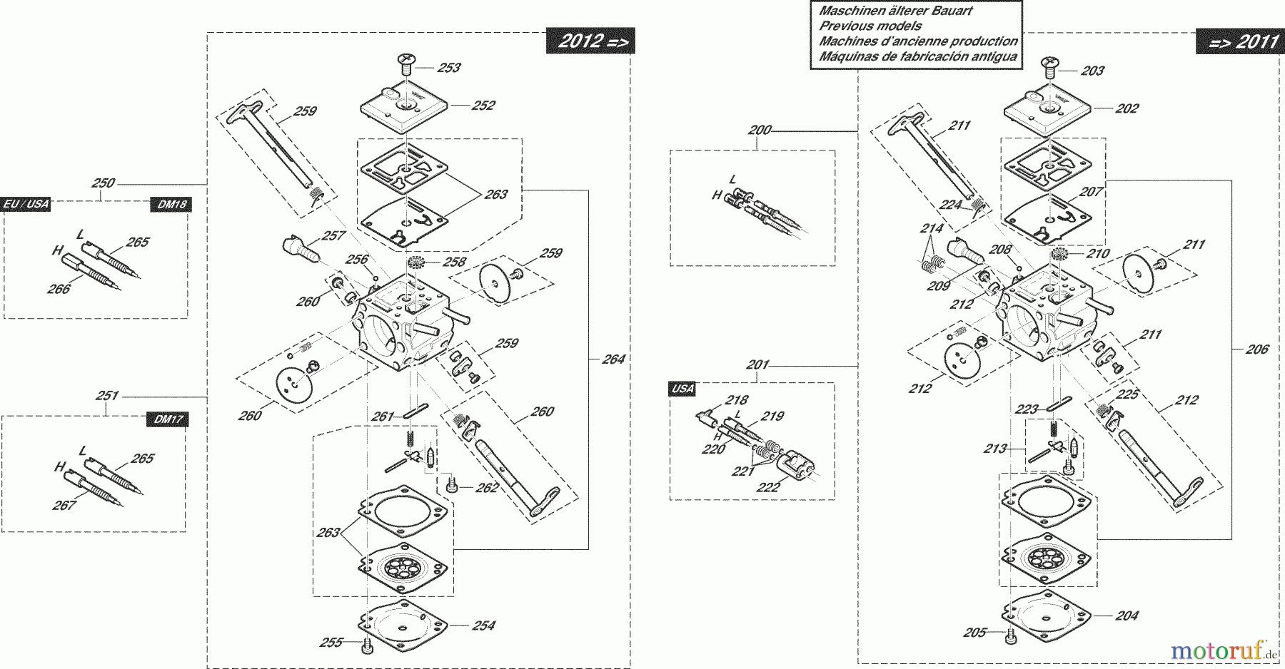
Hier finden Sie die Ersatzteilzeichnung für Dolmar Kettensägen Benzin Kettensäge PS-6400 HS 7 Vergaser. Wählen Sie das benötigte Ersatzteil aus der Ersatzteilliste Ihres Dolmar Gerätes aus und bestellen Sie einfach online. Viele Dolmar Ersatzteile halten wir ständig in unserem Lager für Sie bereit.




