Dolmar Benzin Kettensäge PS-3300 TH (USA) 4 Anwerfvorrichtung, Griffe Ersatzteile
4 Anwerfvorrichtung, Griffe PS-3300 TH (USA)

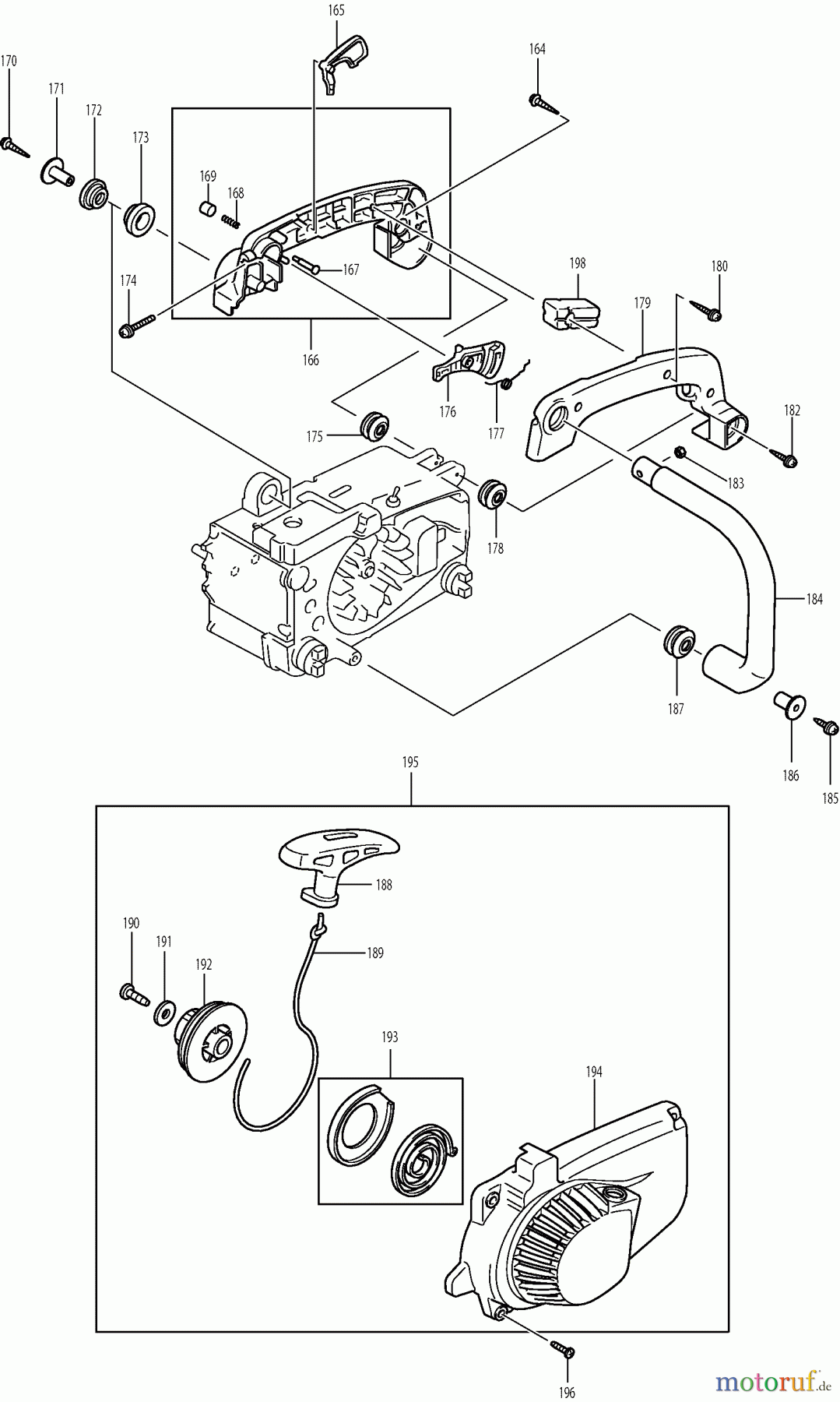
Hier finden Sie die Ersatzteilzeichnung für Dolmar Kettensägen Benzin Kettensäge PS-3300 TH (USA) 4 Anwerfvorrichtung, Griffe. Wählen Sie das benötigte Ersatzteil aus der Ersatzteilliste Ihres Dolmar Gerätes aus und bestellen Sie einfach online. Viele Dolmar Ersatzteile halten wir ständig in unserem Lager für Sie bereit.



