Dolmar Akku Kettensäge AS3731 1 AS-3731 Ersatzteile
1 AS-3731 AS3731

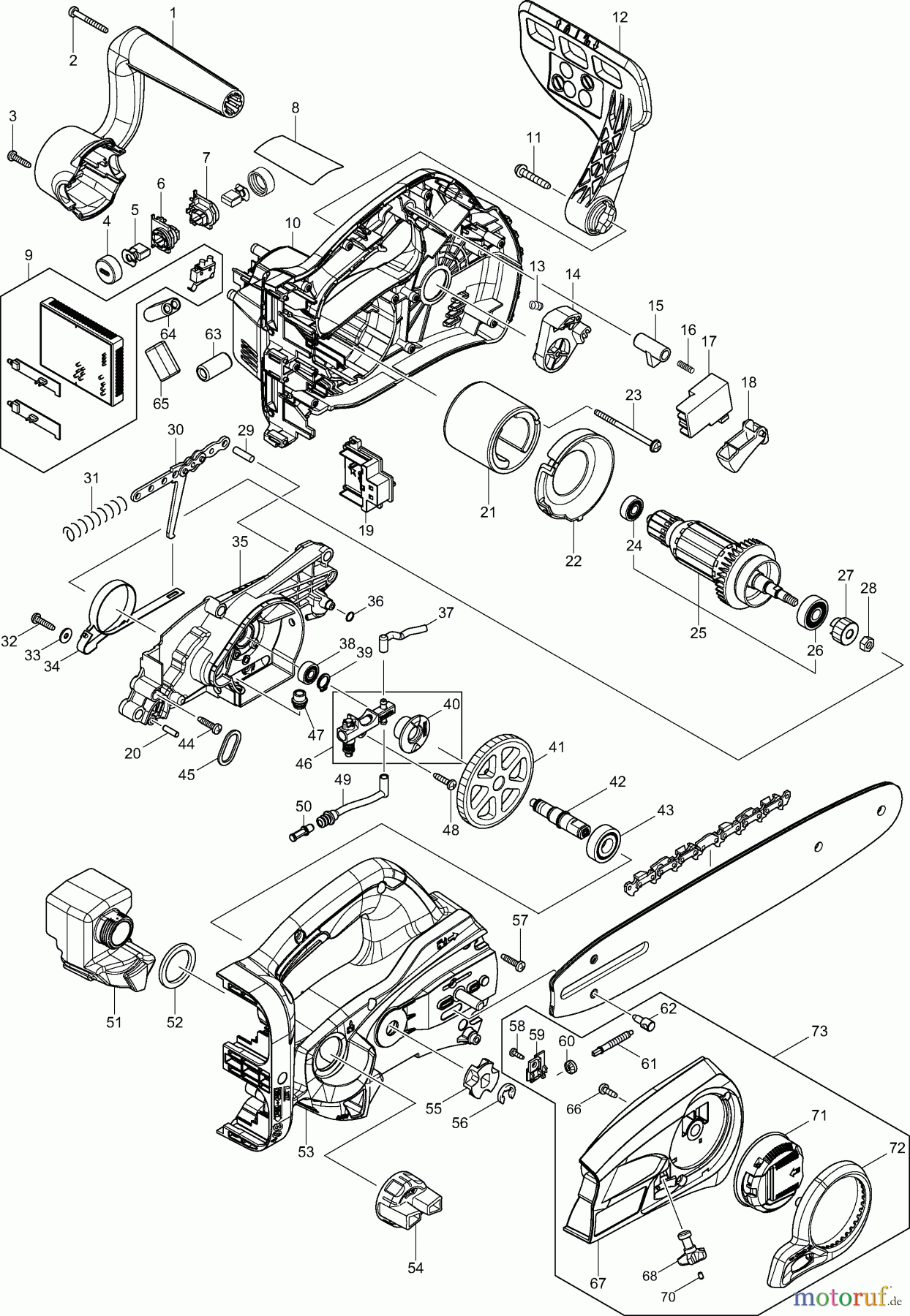
Hier finden Sie die Ersatzteilzeichnung für Dolmar Kettensägen Akku Kettensäge AS3731 1 AS-3731. Wählen Sie das benötigte Ersatzteil aus der Ersatzteilliste Ihres Dolmar Gerätes aus und bestellen Sie einfach online. Viele Dolmar Ersatzteile halten wir ständig in unserem Lager für Sie bereit.
Häufig benötigte Dolmar Akku Kettensäge AS3731 1 AS-3731 Ersatzteile

Artikelnummer: DR221427-3
Suche nach: 221427-3
Hersteller: Dolmar
Dolmar Ersatzteil 1 AS-3731
Suche nach: 221427-3
Hersteller: Dolmar
Dolmar Ersatzteil 1 AS-3731
4.47 €
für EU incl. MwSt., zzgl. Versand






