Dolmar Elektro FH-201 2 Seite Elektromotor, Getriebe, Messergehäuse Ersatzteile
2 Seite Elektromotor, Getriebe, Messergehäuse FH-201

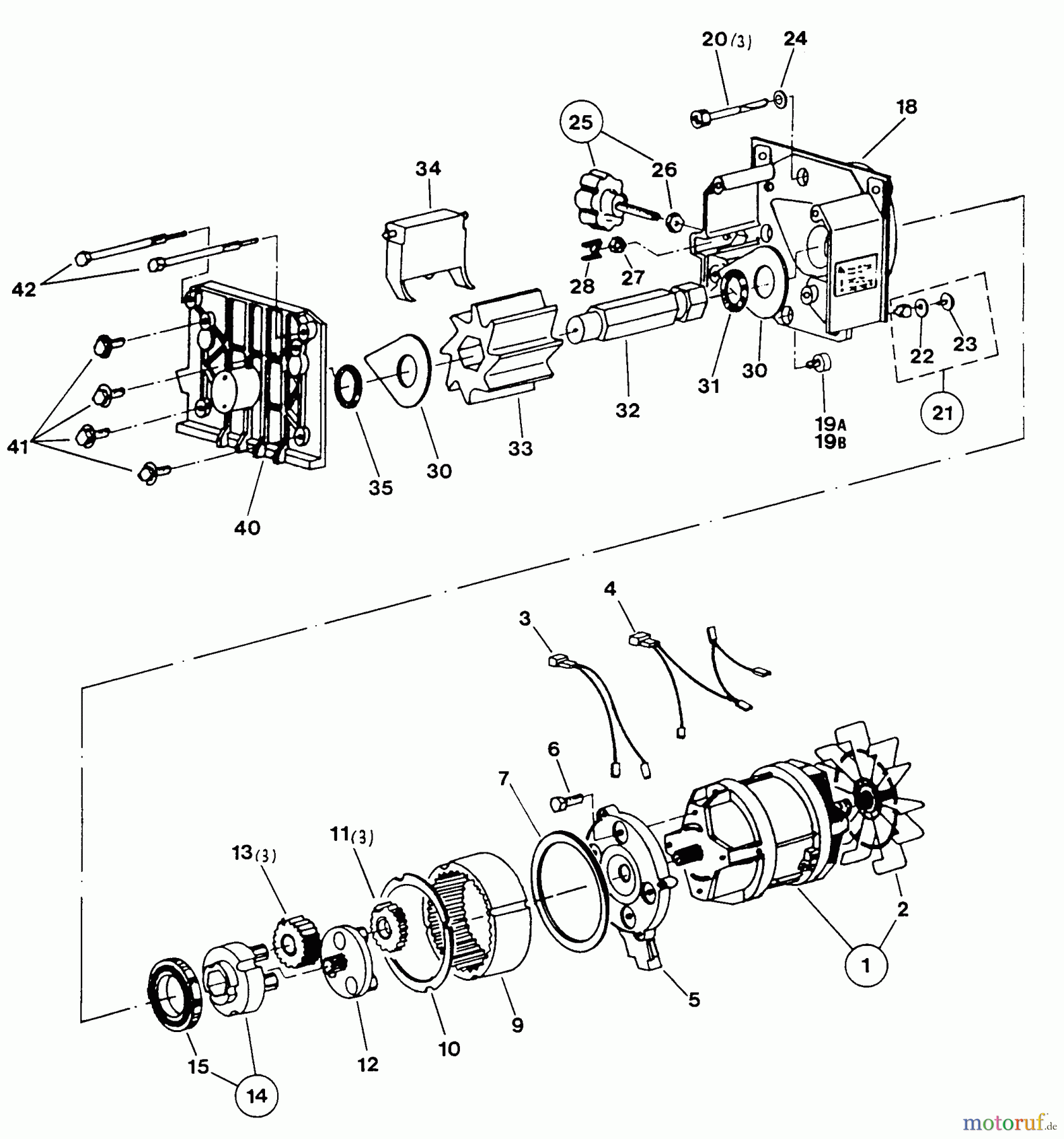
Hier finden Sie die Ersatzteilzeichnung für Dolmar Häcksler Elektro FH-201 2 Seite Elektromotor, Getriebe, Messergehäuse. Wählen Sie das benötigte Ersatzteil aus der Ersatzteilliste Ihres Dolmar Gerätes aus und bestellen Sie einfach online. Viele Dolmar Ersatzteile halten wir ständig in unserem Lager für Sie bereit.


Qualitätsmanagement
Informieren Sie uns, wenn Sie einen Fehler gefunden haben.

