Dolmar Benzin MH-2556 (USA) MH-2556 (USA =>2009) 5 Vergaser, Luftfilter, Zubehör Ersatzteile
5 Vergaser, Luftfilter, Zubehör MH-2556 (USA =>2009)

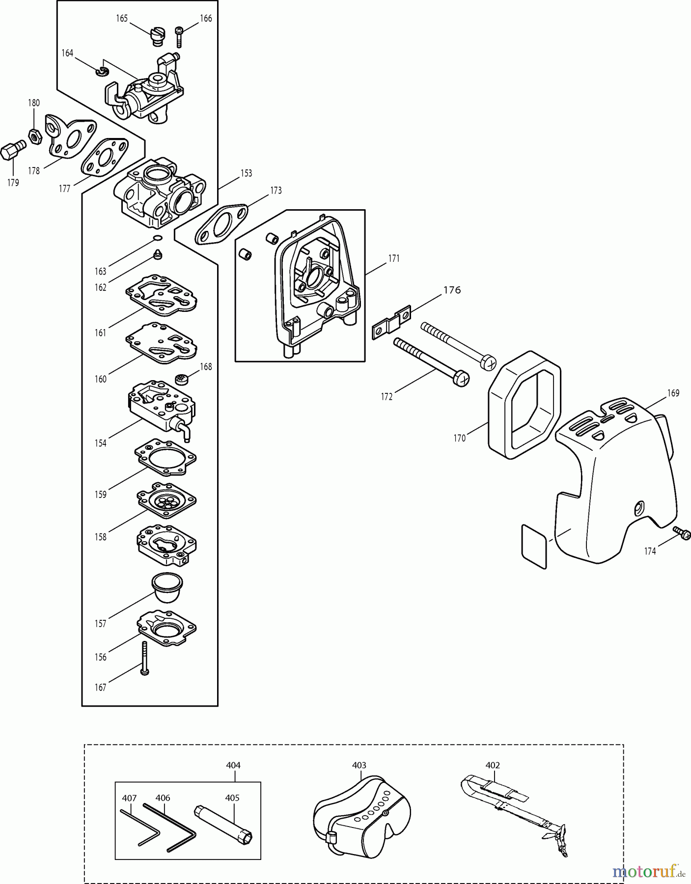
Hier finden Sie die Ersatzteilzeichnung für Dolmar Heckenscheren Benzin MH-2556 (USA) MH-2556 (USA =>2009) 5 Vergaser, Luftfilter, Zubehör. Wählen Sie das benötigte Ersatzteil aus der Ersatzteilliste Ihres Dolmar Gerätes aus und bestellen Sie einfach online. Viele Dolmar Ersatzteile halten wir ständig in unserem Lager für Sie bereit.
| BildNr | Artikel Nummer | Bezeichnung | |
| 153 | 374606500 | VERGASER INC. 154-168 | |
| 154 | 140989-1 | PUMPENKÖRPER KPL. | |
| 156 | 5236046050 | PRIMERDECKEL | |
| 157 | ![]() | 424314-7 | PRIMER PUMPE |
| 158 | ![]() | 001151460 | STEUERMEMBRAN |
| 159 | 442154-1 | DICHTUNG | |
| 160 | ![]() | WJ00009599 | PUMPENMEMBRAN |
| 161 | 442172-9 | DICHTUNG | |
| 162 | 326027-5 | DÜSE | |
| 163 | 213538-8 | O-RING 2 | |
| 164 | 257964-1 | SICHERUNGSRING E-3 | |
| 165 | 325922-6 | DREHGELENK | |
| 166 | 388600803 | ZYLINDERSCHRAUBE | |
| 167 | 367266582 | BLECHSCHRAUBE 3X24 | |
| 168 | WJ00014070 | SIEB | |
| 169 | 388350260 | LUFTFILTERDECKEL | |
| 170 | 443167-5 | LUFTFILTER | |
| 171 | 140993-0 | LUFTFILTERBODEN KPL. | |
| 172 | 367360565 | SCHRAUBE M5X62 | |
| 173 | 5233504200 | DICHTUNG | |
| 174 | 0043605140 | SCHRAUBE KPL. M5X14 | |
| 176 | 381350240 | SCHELLE | |
| 177 | 442177-9 | DICHTUNG | |
| 178 | 374650190 | GASZUGHALTER | |
| 179 | 327223-8 | EINSTELLSCHRAUBE | |
| 180 | 0022706000 | MUTTER M6 | |
| 402 | 387260100 | DOPPEL-SCHULTERGURT | |
| 403 | 374901500 | SCHUTZBRILLE | |
| 404 | 374901700 | WERKZEUGSATZ | |
| 405 | 374319990 | KOMBISCHLÜSSEL | |
| 406 | 783217-7 | 6-KT STIFTSCHLüSSEL 5 | |
| 407 | 783202-0 | 6 KANT-STIFTSCHLüSSEL 4 | |


Qualitätsmanagement
Informieren Sie uns, wenn Sie einen Fehler gefunden haben.




