Dolmar Benzin MH2464DF 4 Motor Ersatzteile
4 Motor MH2464DF

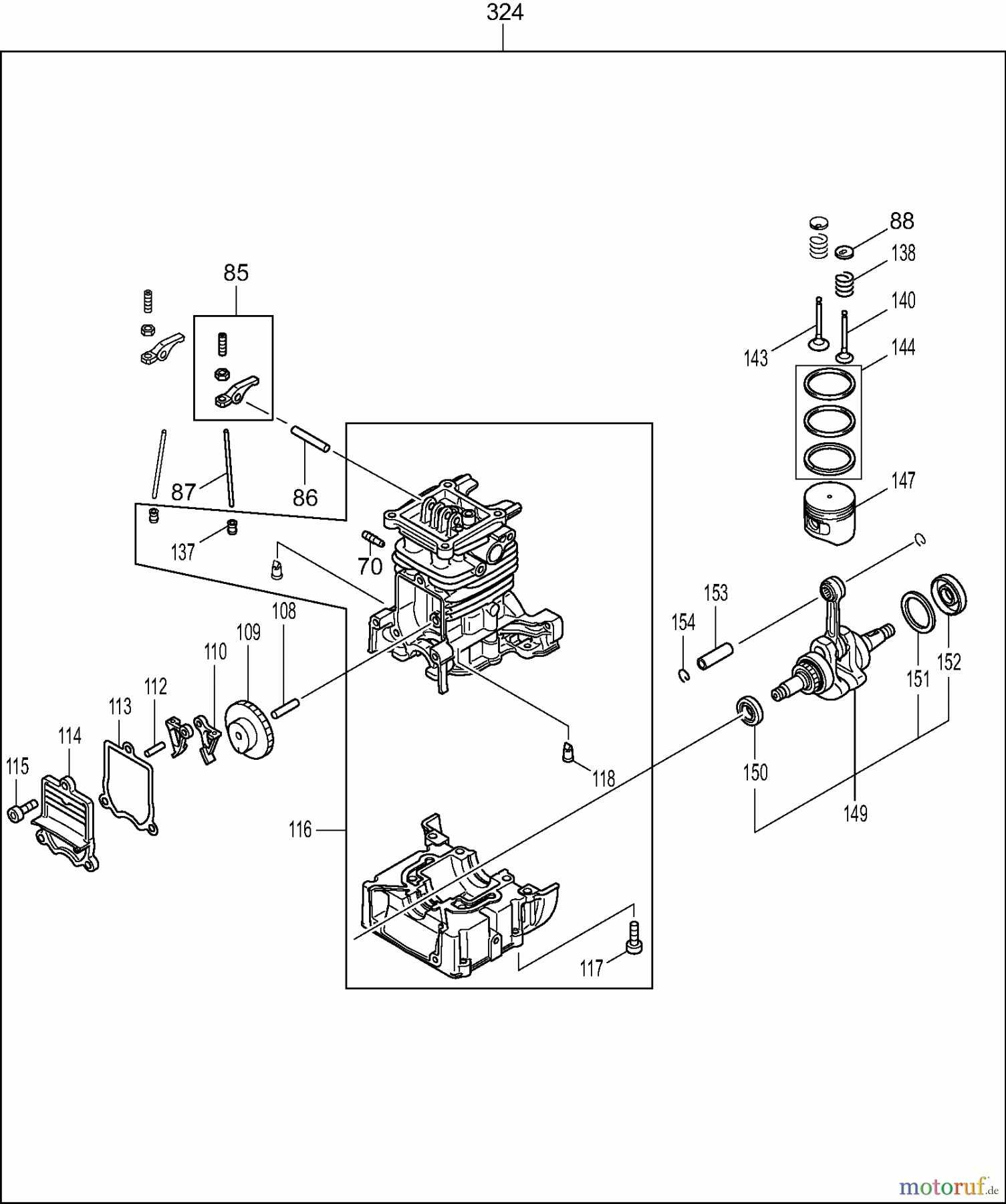
Hier finden Sie die Ersatzteilzeichnung für Dolmar Heckenscheren Benzin MH2464DF 4 Motor. Wählen Sie das benötigte Ersatzteil aus der Ersatzteilliste Ihres Dolmar Gerätes aus und bestellen Sie einfach online. Viele Dolmar Ersatzteile halten wir ständig in unserem Lager für Sie bereit.
| BildNr | Artikel Nummer | Bezeichnung | |
| 70 | 367325665 | ANSCHLUßSTÜCK | |
| 85 | 125554-7 | KIPPHEBEL KPL. | |
| 86 | 256200-2 | STIFT 5 | |
| 87 | 256865-0 | STÖSSELSTANGE | |
| 88 | 325668-4 | FEDERTELLER | |
| 108 | 268238-5 | STIFT 5 | |
| 109 | 367125552 | NOCKENRAD | |
| 110 | 313169-4 | NOCKENHEBEL | |
| 112 | 367268239 | STIFT 4 | |
| 113 | 162274-2 | DICHTUNG | |
| 114 | 367318443 | ABDECKUNG F.NOCKENRAD | |
| 115 | 367922222 | SCHRAUBE M5X16 | |
| 116 | 367135478 | ZYLINDERBLOCK-SET | |
| 117 | 367922222 | SCHRAUBE M5X16 | |
| 118 | 367424201 | RÜCKSCHLAGVENTIL | |
| 137 | 424200-2 | DISTANZBUCHSE | |
| 138 | 234108-0 | DRUCKFEDER 9 | |
| 140 | 326366-3 | AUSLASSVENTIL | |
| 143 | 326367-1 | EINLASSVENTIL | |
| 144 | 367196595 | KOLBENRING-SATZ | |
| 147 | 367318441 | KOLBEN | |
| 149 | 367126359 | KURBELWELLE KPL. | |
| 150 | 213148-1 | ÖLDICHTUNG 10 | |
| 151 | 367267400 | FLACHSCHEIBE 23 | |
| 152 | 213147-3 | ÖLDICHTUNG 12 | |
| 153 | 257781-9 | KOLBENBOLZEN | |
| 154 | 233976-8 | SPRENGRING | |
| 324 | 135668-4 | MOTORBLOCK 25.4CC | |



