Dolmar Akku AH3766 1 AH-3766 Ersatzteile
1 AH-3766 AH3766

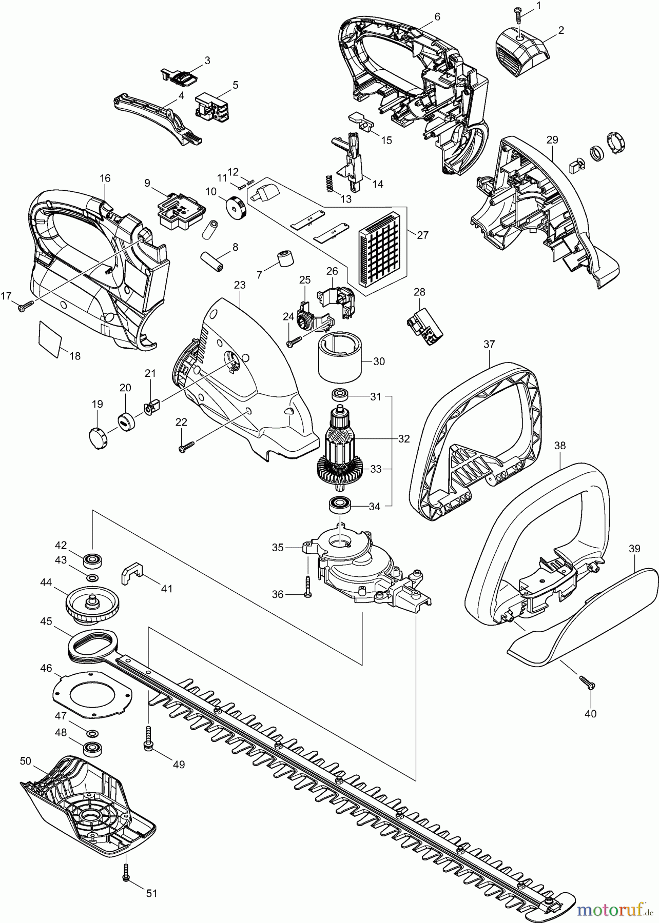
Hier finden Sie die Ersatzteilzeichnung für Dolmar Heckenscheren Akku AH3766 1 AH-3766. Wählen Sie das benötigte Ersatzteil aus der Ersatzteilliste Ihres Dolmar Gerätes aus und bestellen Sie einfach online. Viele Dolmar Ersatzteile halten wir ständig in unserem Lager für Sie bereit.


Qualitätsmanagement
Informieren Sie uns, wenn Sie einen Fehler gefunden haben.

