Dolmar Benzin PB76604 6 Zünder, Schalldämpfer Ersatzteile
6 Zünder, Schalldämpfer PB76604

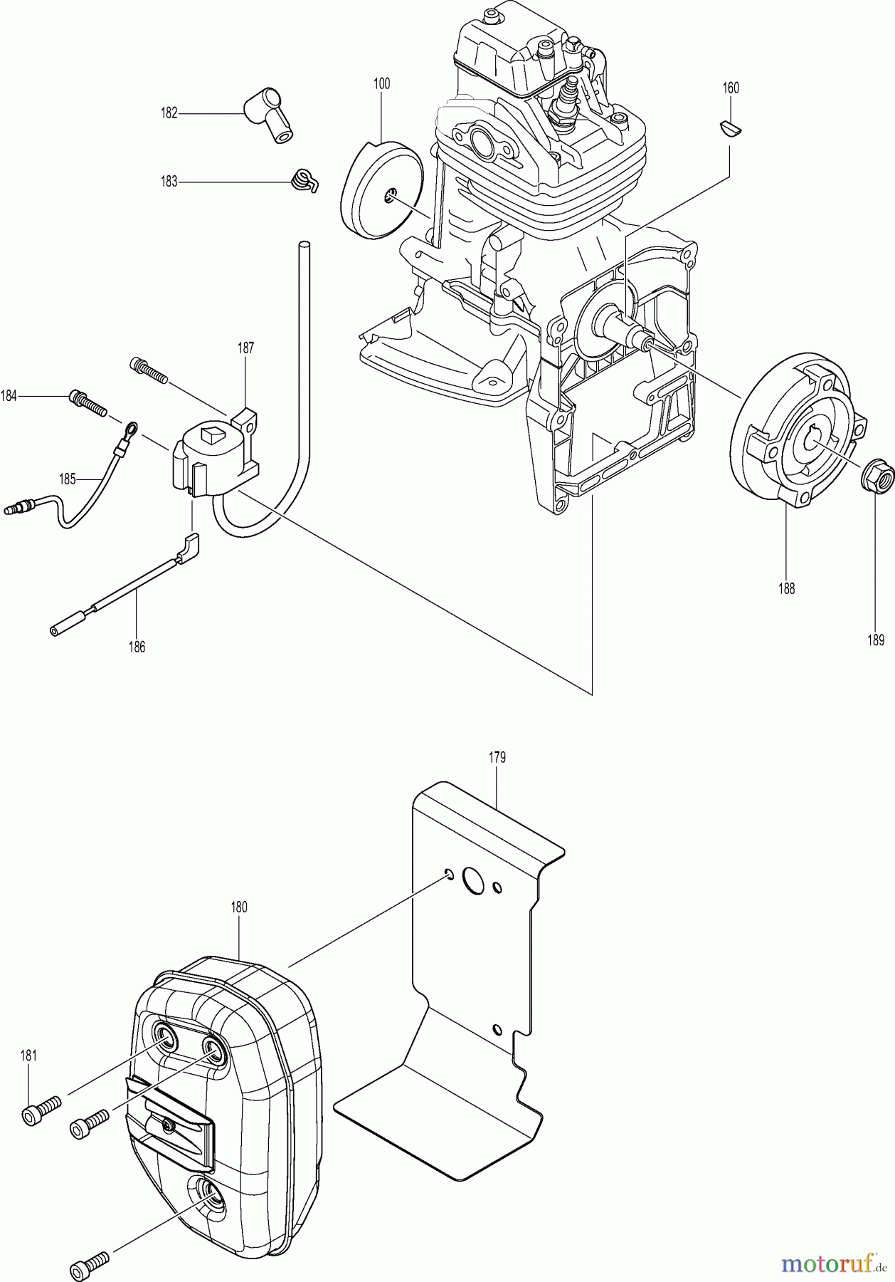
Hier finden Sie die Ersatzteilzeichnung für Dolmar Blasgeräte Benzin PB76604 6 Zünder, Schalldämpfer. Wählen Sie das benötigte Ersatzteil aus der Ersatzteilliste Ihres Dolmar Gerätes aus und bestellen Sie einfach online. Viele Dolmar Ersatzteile halten wir ständig in unserem Lager für Sie bereit.
| BildNr | Artikel Nummer | Bezeichnung | |
| 100 | 5975500000 | STARTERRAD | |
| 160 | 254001-2 | SCHEIBENFEDER 4 | |
| 179 | 346979-4 | DICHTUNG FÜR SCHALLDÄMPFER | |
| 180 | 161408-4 | SCHALLDÄMPFER | |
| 180 | 911108-4 | FLACHKOPFSCHRAUBE M4X8 | |
| 181 | 266771-1 | SCHRAUBE M6X18 | |
| 182 | 424105-6 | ZÜNDKERZENSTECKER | |
| 183 | 324891-8 | STECKERKAPPENFEDER | |
| 184 | 367922138 | INNEN-6 KANT-SCHRAUBE M4X20 | |
| 185 | 632G44-0 | KABEL | |
| 186 | 638710-5 | KABEL | |
| 187 | 161837-1 | ZüNDANKER | |
| 188 | 5977001020 | POLRAD KPL. | |
| 189 | 320264054 | BUNDMUTTER M10 | |


Qualitätsmanagement
Informieren Sie uns, wenn Sie einen Fehler gefunden haben.

