Dolmar Benzin PB-7601.4 (USA) 10 Zündung, Polrad Ersatzteile
10 Zündung, Polrad PB-7601.4 (USA)

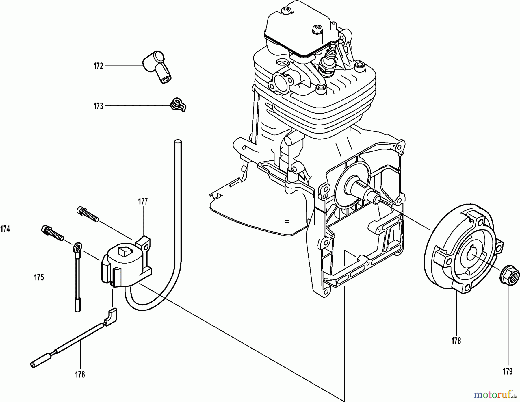
Hier finden Sie die Ersatzteilzeichnung für Dolmar Blasgeräte Benzin PB-7601.4 (USA) 10 Zündung, Polrad. Wählen Sie das benötigte Ersatzteil aus der Ersatzteilliste Ihres Dolmar Gerätes aus und bestellen Sie einfach online. Viele Dolmar Ersatzteile halten wir ständig in unserem Lager für Sie bereit.
| BildNr | Artikel Nummer | Bezeichnung | |
| 172 | 424105-6 | ZÜNDKERZENSTECKER | |
| 173 | 324891-8 | STECKERKAPPENFEDER | |
| 174 | 367922138 | INNEN-6 KANT-SCHRAUBE M4X20 | |
| 175 | 381550020 | KABEL | |
| 176 | 5927011000 | KABEL 2 | |
| 177 | 161837-1 | ZüNDANKER | |
| 178 | 5977001020 | POLRAD KPL. | |
| 179 | 377371000 | BUNDMUTTER M10 | |


Qualitätsmanagement
Informieren Sie uns, wenn Sie einen Fehler gefunden haben.

