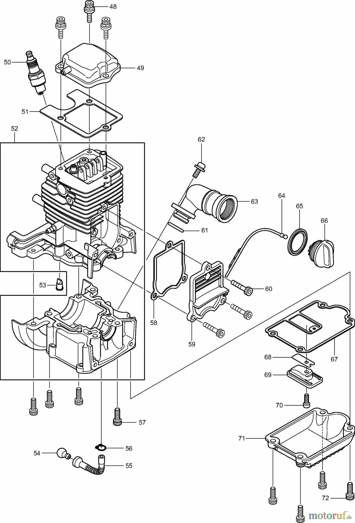
Dolmar Benzin PB2524 2 Kurbelgehäuse, Zylinder, Ölwanne Ersatzteile
2 Kurbelgehäuse, Zylinder, Ölwanne PB2524

Hier finden Sie die Ersatzteilzeichnung für Dolmar Blasgeräte Benzin PB2524 2 Kurbelgehäuse, Zylinder, Ölwanne. Wählen Sie das benötigte Ersatzteil aus der Ersatzteilliste Ihres Dolmar Gerätes aus und bestellen Sie einfach online. Viele Dolmar Ersatzteile halten wir ständig in unserem Lager für Sie bereit.


Qualitätsmanagement
Informieren Sie uns, wenn Sie einen Fehler gefunden haben.


