Tigara TG 22/107 HBI 13HT79KG649 (2019) Motorhaube K-Style Ersatzteile
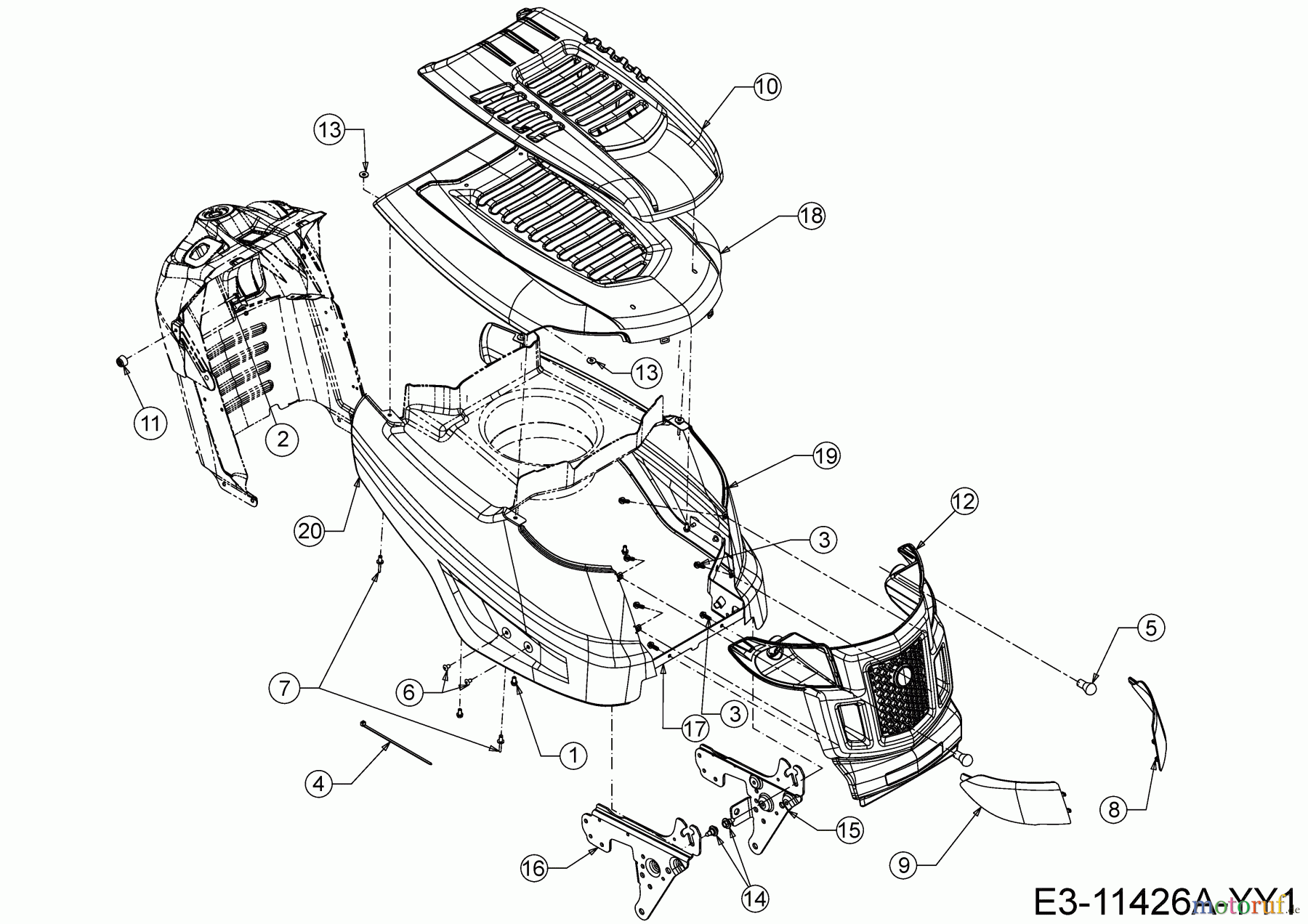
Motorhaube K-Style 13HT79KG649 (2019)

Hier finden Sie die Ersatzteilzeichnung für Tigara Rasentraktoren TG 22/107 HBI 13HT79KG649 (2019) Motorhaube K-Style. Wählen Sie das benötigte Ersatzteil aus der Ersatzteilliste Ihres Tigara Gerätes aus und bestellen Sie einfach online. Viele Tigara Ersatzteile halten wir ständig in unserem Lager für Sie bereit.


Qualitätsmanagement
Informieren Sie uns, wenn Sie einen Fehler gefunden haben.




