Toro 53011 - Gas Trimmer, Straight Shaft (53005), 1998 (895001-899999) CARBURETOR AND FUEL ASSEMBLY Ersatzteile
CARBURETOR AND FUEL ASSEMBLY 53011 - Toro Gas Trimmer, Straight Shaft (53005), 1998 (895001-899999)

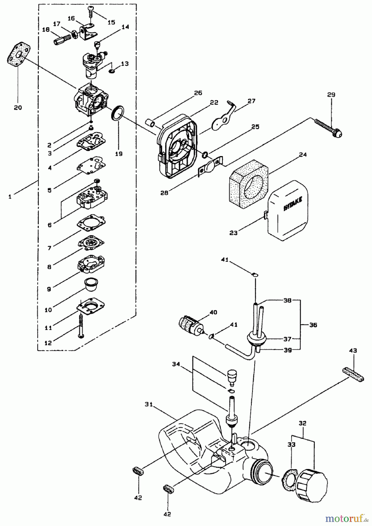
Hier finden Sie die Ersatzteilzeichnung für Toro Neu Trimmers, String/Brush 53011 - Toro Gas Trimmer, Straight Shaft (53005), 1998 (895001-899999) CARBURETOR AND FUEL ASSEMBLY. Wählen Sie das benötigte Ersatzteil aus der Ersatzteilliste Ihres Toro Gerätes aus und bestellen Sie einfach online. Viele Toro Ersatzteile halten wir ständig in unserem Lager für Sie bereit.


Qualitätsmanagement
Informieren Sie uns, wenn Sie einen Fehler gefunden haben.

