Toro 51675 (TC 5010) - TC 5010 Gas Trimmer, 1992 (2000001-2999999) ENGINE ASSEMBLY #2 Ersatzteile
ENGINE ASSEMBLY #2 51675 (TC 5010) - Toro TC 5010 Gas Trimmer, 1992 (2000001-2999999)

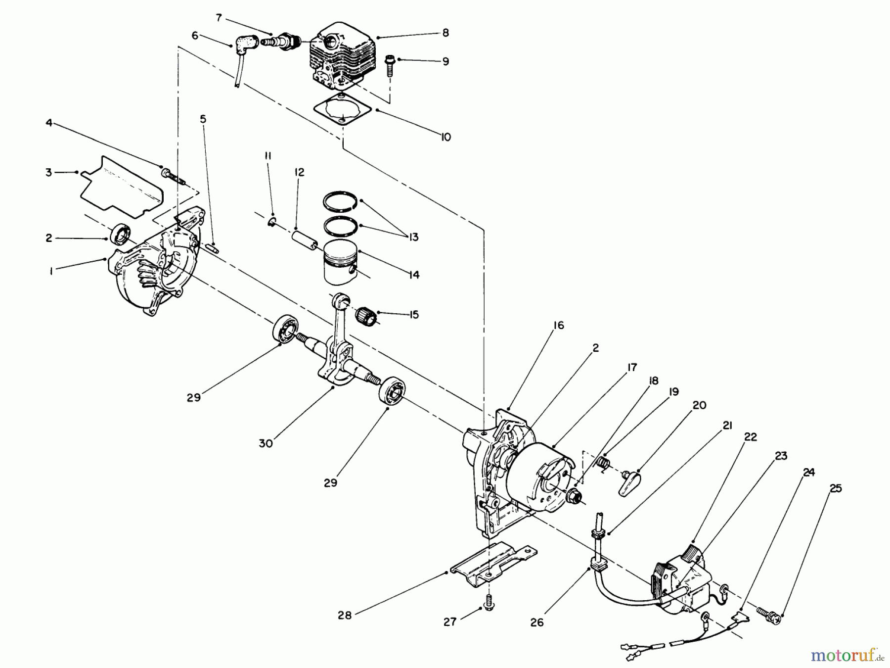
Hier finden Sie die Ersatzteilzeichnung für Toro Neu Trimmers, String/Brush 51675 (TC 5010) - Toro TC 5010 Gas Trimmer, 1992 (2000001-2999999) ENGINE ASSEMBLY #2. Wählen Sie das benötigte Ersatzteil aus der Ersatzteilliste Ihres Toro Gerätes aus und bestellen Sie einfach online. Viele Toro Ersatzteile halten wir ständig in unserem Lager für Sie bereit.


Qualitätsmanagement
Informieren Sie uns, wenn Sie einen Fehler gefunden haben.

