Toro 51650 (TC 3100) - TC 3100 Gas Trimmer, 1992 (2000001-2999999) SPARK ARRESTOR MUFFLER KIT 65-4300 (OPTIONAL) Ersatzteile
SPARK ARRESTOR MUFFLER KIT 65-4300 (OPTIONAL) 51650 (TC 3100) - Toro TC 3100 Gas Trimmer, 1992 (2000001-2999999)

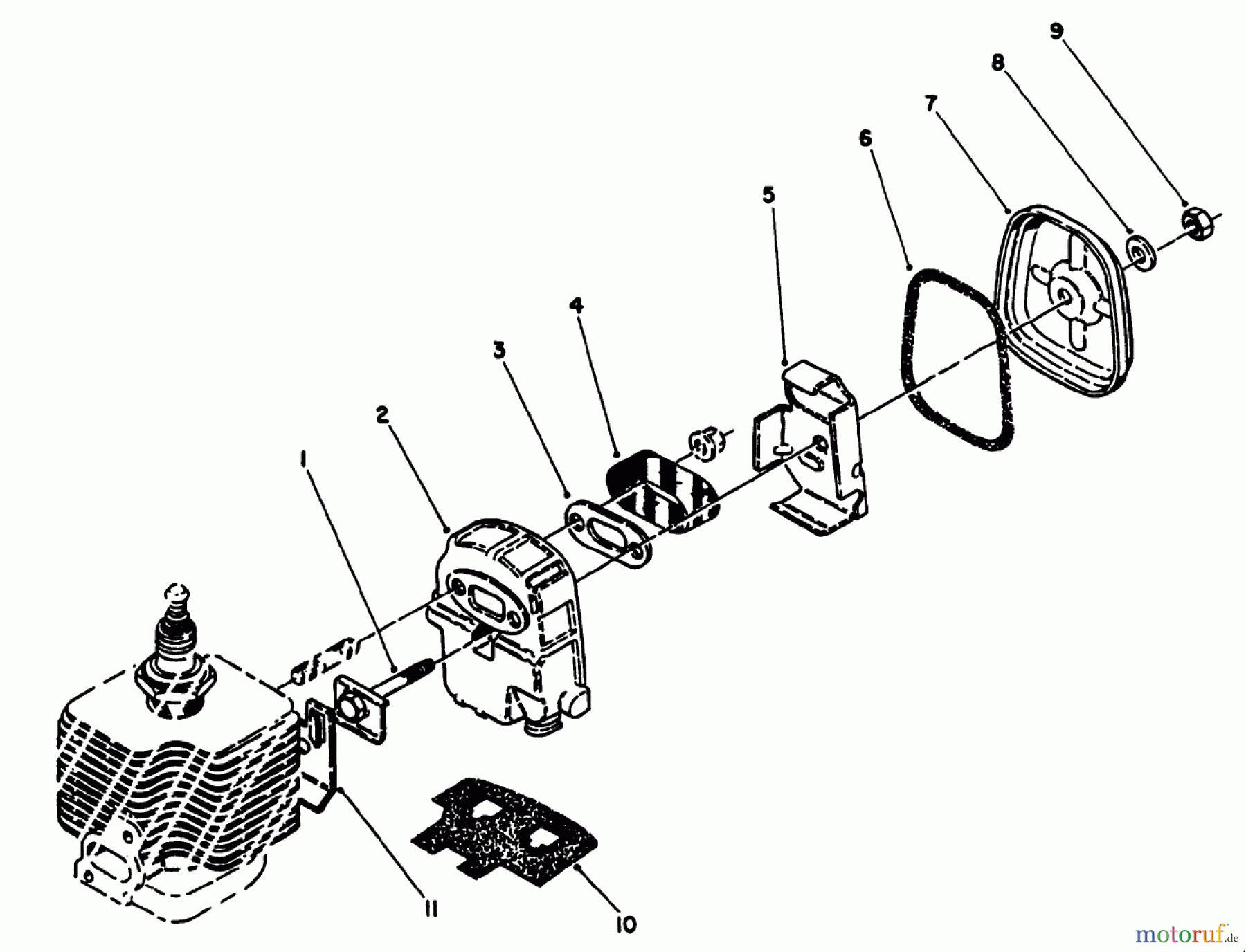
Hier finden Sie die Ersatzteilzeichnung für Toro Neu Trimmers, String/Brush 51650 (TC 3100) - Toro TC 3100 Gas Trimmer, 1992 (2000001-2999999) SPARK ARRESTOR MUFFLER KIT 65-4300 (OPTIONAL). Wählen Sie das benötigte Ersatzteil aus der Ersatzteilliste Ihres Toro Gerätes aus und bestellen Sie einfach online. Viele Toro Ersatzteile halten wir ständig in unserem Lager für Sie bereit.
| BildNr | Artikel Nummer | Bezeichnung | |
| 1 | TR65-2630 | DISCONTINUED | |
| 2 | TR65-4320 | DISCONTINUED | |
| 3 | TR65-4330 | DISCONTINUED | |
| 4 | TR65-4340 | DISCONTINUED | |
| 5 | TR65-4350 | DISCONTINUED | |
| 6 | TR60-8100 | GASKET | |
| 7 | TR60-8110 | DISCONTINUED | |
| 8 | TR65-4410 | GASKET | |
| 9 | TR65-4420 | DISCONTINUED | |
| 10 | TR65-4360 | DISCONTINUED | |
| 11 | TR65-4370 | DISCONTINUED | |


Qualitätsmanagement
Informieren Sie uns, wenn Sie einen Fehler gefunden haben.

