Toro 51613 (TC 350) - TC 350 Gas Trimmer, 1983 (3000001-3999999) ENGINE HOUSING ASSEMBLY Ersatzteile
ENGINE HOUSING ASSEMBLY 51613 (TC 350) - Toro TC 350 Gas Trimmer, 1983 (3000001-3999999)

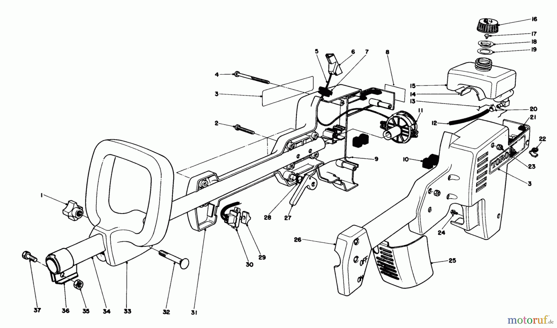
Hier finden Sie die Ersatzteilzeichnung für Toro Neu Trimmers, String/Brush 51613 (TC 350) - Toro TC 350 Gas Trimmer, 1983 (3000001-3999999) ENGINE HOUSING ASSEMBLY. Wählen Sie das benötigte Ersatzteil aus der Ersatzteilliste Ihres Toro Gerätes aus und bestellen Sie einfach online. Viele Toro Ersatzteile halten wir ständig in unserem Lager für Sie bereit.


Qualitätsmanagement
Informieren Sie uns, wenn Sie einen Fehler gefunden haben.


