Toro 51556 - 7" Cordless Trimmer, 1993 (39000001-39999999) UPPER CASE ASSEMBLY Ersatzteile
UPPER CASE ASSEMBLY 51556 - Toro 7" Cordless Trimmer, 1993 (39000001-39999999)

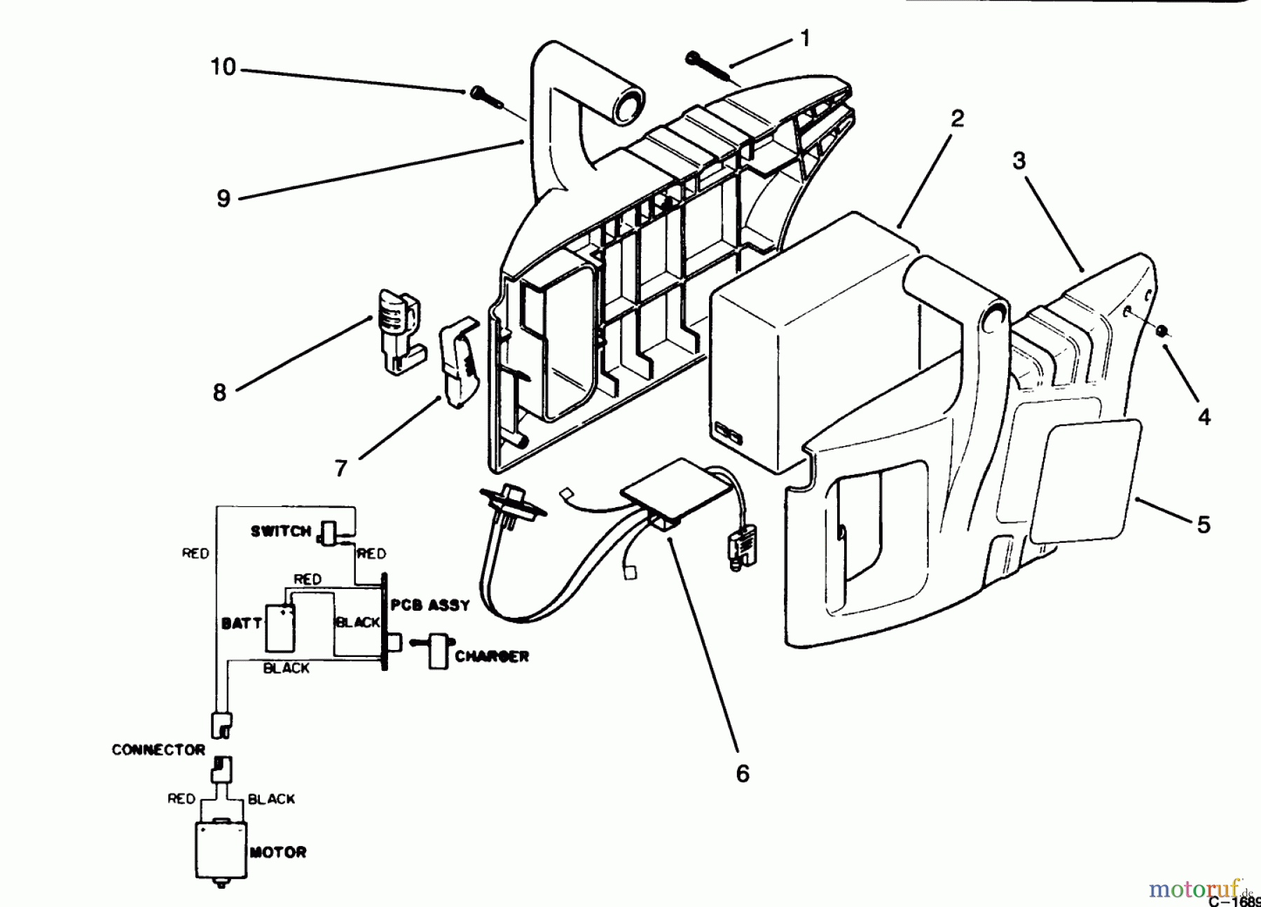
Hier finden Sie die Ersatzteilzeichnung für Toro Neu Trimmers, String/Brush 51556 - Toro 7" Cordless Trimmer, 1993 (39000001-39999999) UPPER CASE ASSEMBLY. Wählen Sie das benötigte Ersatzteil aus der Ersatzteilliste Ihres Toro Gerätes aus und bestellen Sie einfach online. Viele Toro Ersatzteile halten wir ständig in unserem Lager für Sie bereit.
| BildNr | Artikel Nummer | Bezeichnung | |
| 1 | TR3250-47 | SCREW-PPH | |
| 2 | TR33-6650 | BATTERY (W) | |
| 3 | TR73-5320 | DISCONTINUED | |
| 4 | TR3217-44 | Mutter | |
| 5 | TR73-5360 | DISCONTINUED | |
| 6 | TR73-5451 | DISCONTINUED | |
| 7 | TR73-5330 | TRIGGER | |
| 8 | TR73-5340 | TRIGGER LOCK | |
| 9 | TR73-5310 | DISCONTINUED | |
| 10 | TR32104-121 | Schraube | |
| TR73-5410 | 104-2542 | ||



