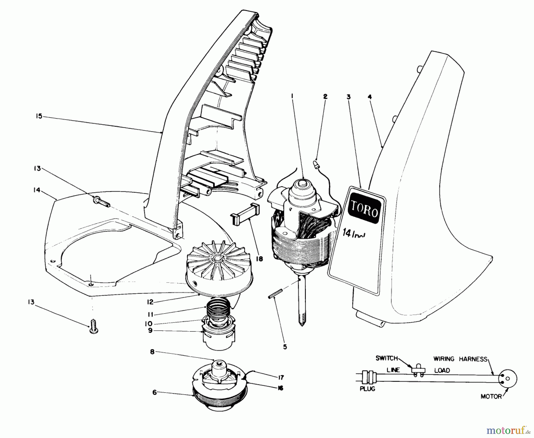
Toro 51442 - 14" Electric Trimmer, 1992 (2000001-2999999) MOTOR AND HOUSING ASSEMBLY Ersatzteile
MOTOR AND HOUSING ASSEMBLY 51442 - Toro 14" Electric Trimmer, 1992 (2000001-2999999)

Hier finden Sie die Ersatzteilzeichnung für Toro Neu Trimmers, String/Brush 51442 - Toro 14" Electric Trimmer, 1992 (2000001-2999999) MOTOR AND HOUSING ASSEMBLY. Wählen Sie das benötigte Ersatzteil aus der Ersatzteilliste Ihres Toro Gerätes aus und bestellen Sie einfach online. Viele Toro Ersatzteile halten wir ständig in unserem Lager für Sie bereit.


Qualitätsmanagement
Informieren Sie uns, wenn Sie einen Fehler gefunden haben.

