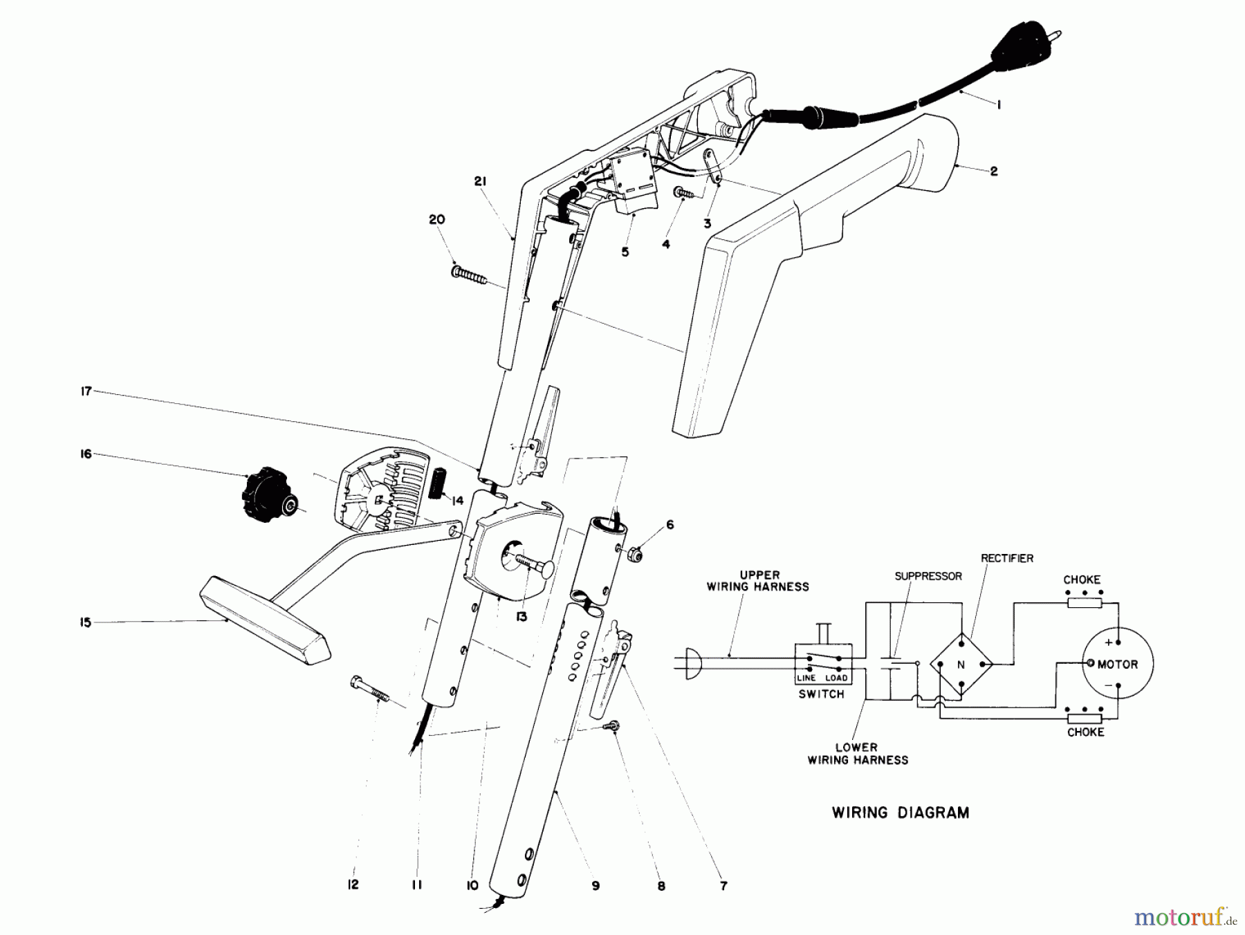
Toro 51415 (1200) - 1200 Electric Trimmer, 1981 (1000001-1999999) HANDLE ASSEMBLY Ersatzteile
HANDLE ASSEMBLY 51415 (1200) - Toro 1200 Electric Trimmer, 1981 (1000001-1999999)

Hier finden Sie die Ersatzteilzeichnung für Toro Neu Trimmers, String/Brush 51415 (1200) - Toro 1200 Electric Trimmer, 1981 (1000001-1999999) HANDLE ASSEMBLY. Wählen Sie das benötigte Ersatzteil aus der Ersatzteilliste Ihres Toro Gerätes aus und bestellen Sie einfach online. Viele Toro Ersatzteile halten wir ständig in unserem Lager für Sie bereit.


Qualitätsmanagement
Informieren Sie uns, wenn Sie einen Fehler gefunden haben.

