Toro 58600 - 20" Home Pro Tiller, 1979 (9000001-9999999) CARBURETOR ASSEMBLY Ersatzteile
CARBURETOR ASSEMBLY 58600 - Toro 20" Home Pro Tiller, 1979 (9000001-9999999)

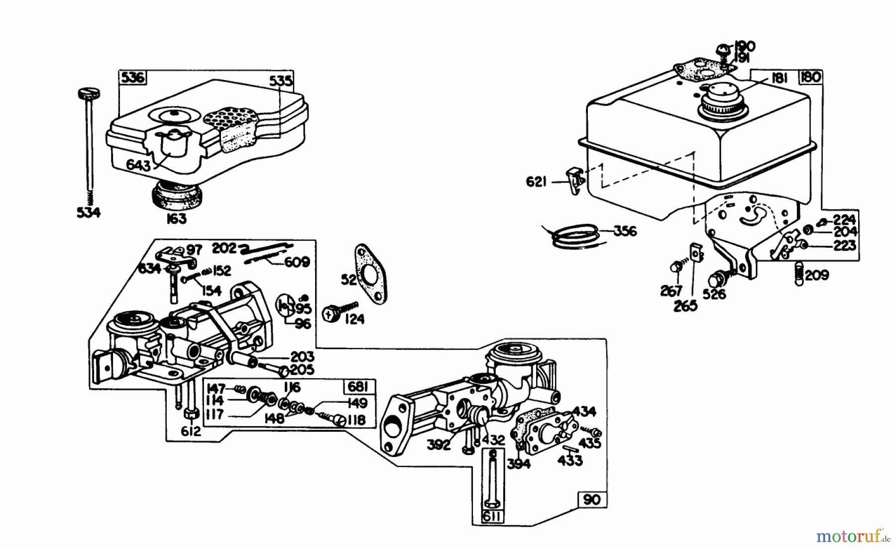
Hier finden Sie die Ersatzteilzeichnung für Toro Neu Tillers/Cultivators 58600 - Toro 20" Home Pro Tiller, 1979 (9000001-9999999) CARBURETOR ASSEMBLY. Wählen Sie das benötigte Ersatzteil aus der Ersatzteilliste Ihres Toro Gerätes aus und bestellen Sie einfach online. Viele Toro Ersatzteile halten wir ständig in unserem Lager für Sie bereit.
| BildNr | Artikel Nummer | Bezeichnung | |
| 52 | BS27355 | ||
| 90 | ![]() | BS299437 | VERGASER 297599 |
| 95 | BS93499 | ||
| 96 | BS211203 | DROSSELKLAPPE | |
| 97 | BS299212 | VERWEIS-NR. 691946 | |
| 114 | BS66594 | ||
| 116 | BS65978 | ||
| 117 | BS230590 | Verweis zu Nr. BS690504 | |
| 118 | BS23433 | ||
| 124 | BS93357 | ||
| 147 | BS230591 | Verweis zu Nr. BS692134 | |
| 148 | BS22235 | SCHEIBE | |
| 149 | BS26336 | ||
| 152 | BS260575 | VERWEIS ZU | |
| 154 | BS93527 | ||
| 163 | BS27660 | LUFTFILTERDICHTUNG | |
| 180 | BS297600 | SIEHE 494592 | |
| 181 | BS392304 | VERWEIS ZU | |
| 190 | BS93341 | ||
| 191 | BS27911 | ||
| 202 | BS260678 | VERWEIS ZU | |
| 203 | BS297718 | ||
| 205 | BS93838 | ||
| 209 | BS260695 | VERWEIS ZU | |
| 223 | BS221517 | VERWEIS ZU | |
| 224 | BS93491 | ||
| 265 | BS221535 | VERWEIS ZU | |
| 267 | BS93496 | ||
| 356 | BS295413 | ||
| 392 | BS260455 | VERWEIS ZU | |
| 394 | BS270026 | MEMBRANE 27910 | |
| 432 | BS221377 | VERWEIS ZU | |
| 433 | BS93265 | ||
| 434 | BS210959 | VERWEIS-NR. 213963 | |
| 435 | BS93141 | ||
| 526 | BS93343 | ||
| 534 | BS93322 | SCHRAUBE | |
| 535 | BS27987 | ||
| 536 | BS297036 | LUFTFILTER | |
| 609 | BS260694 | VERWEIS ZU | |
| 611 | ![]() | BS391813 | BENZINLEITUNG |
| 612 | BS296811 | VERWEIS ZU | |
| 621 | BS297472 | VERWEIS ZU | |
| 634 | BS270167 | FILZSCHEIBE | |
| 643 | BS221321 | ||
| 681 | BS299060 | NADELVENTILSATZ | |


Qualitätsmanagement
Informieren Sie uns, wenn Sie einen Fehler gefunden haben.



