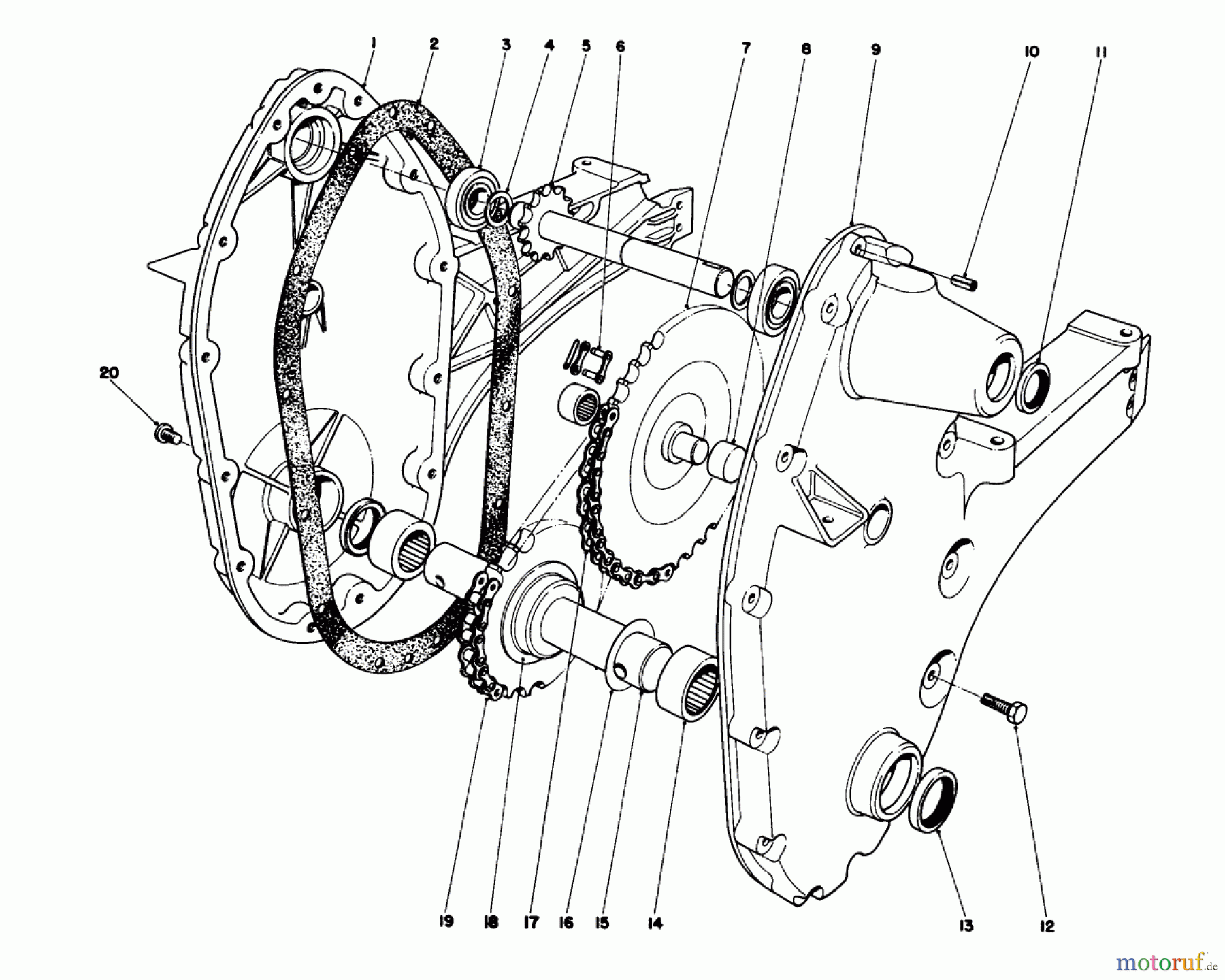
Toro 58336 - 22" Tiller, 1980 (0000001-0999999) CHAIN CASE ASSEMBLY Ersatzteile
CHAIN CASE ASSEMBLY 58336 - Toro 22" Tiller, 1980 (0000001-0999999)

Hier finden Sie die Ersatzteilzeichnung für Toro Neu Tillers/Cultivators 58336 - Toro 22" Tiller, 1980 (0000001-0999999) CHAIN CASE ASSEMBLY. Wählen Sie das benötigte Ersatzteil aus der Ersatzteilliste Ihres Toro Gerätes aus und bestellen Sie einfach online. Viele Toro Ersatzteile halten wir ständig in unserem Lager für Sie bereit.


Qualitätsmanagement
Informieren Sie uns, wenn Sie einen Fehler gefunden haben.


