Toro 58235 - 26" Tiller, 1975 (5000001-5999999) ENGINE TECUMSEH-MODEL HS50-67089A Ersatzteile
ENGINE TECUMSEH-MODEL HS50-67089A 58235 - Toro 26" Tiller, 1975 (5000001-5999999)

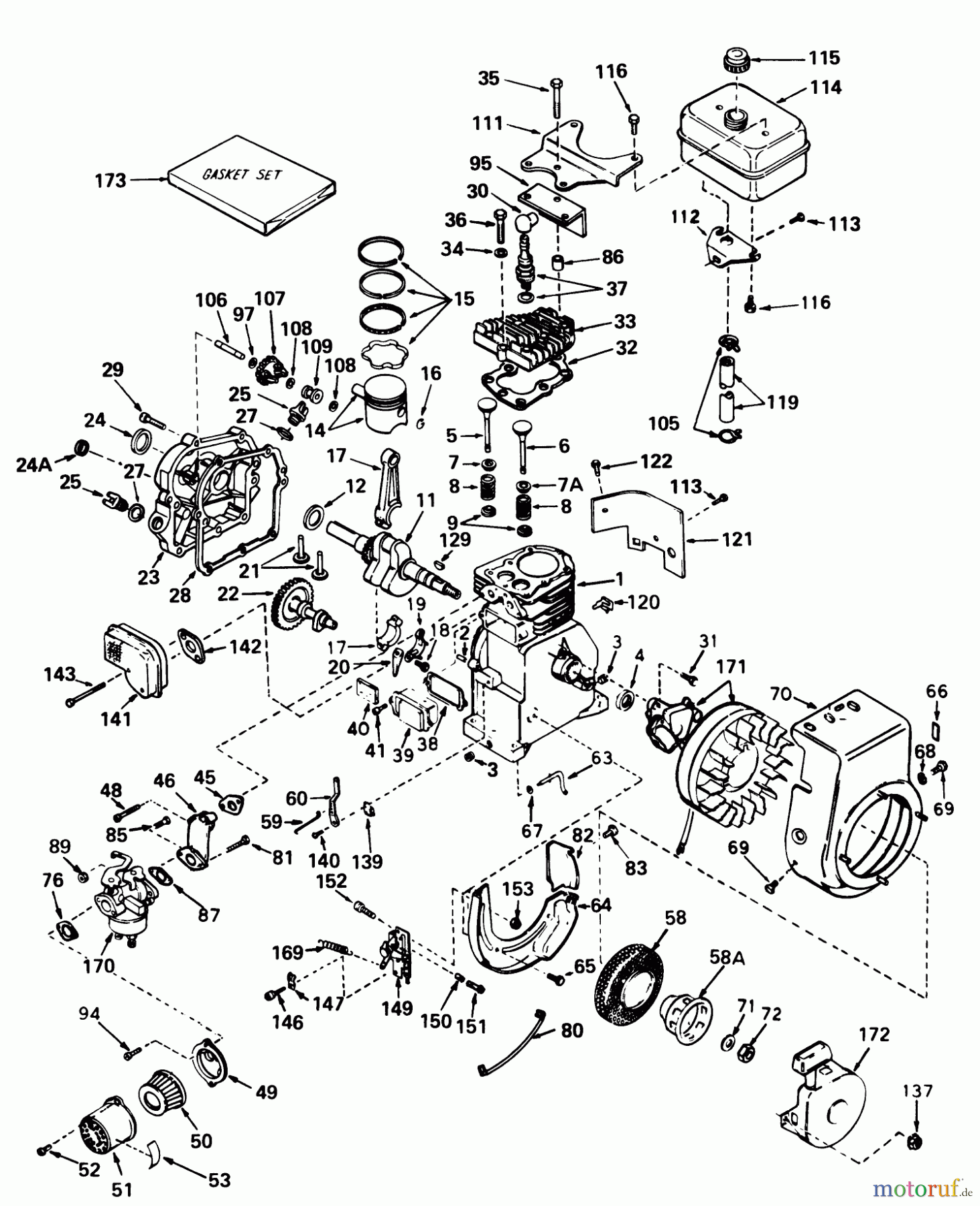
Hier finden Sie die Ersatzteilzeichnung für Toro Neu Tillers/Cultivators 58235 - Toro 26" Tiller, 1975 (5000001-5999999) ENGINE TECUMSEH-MODEL HS50-67089A. Wählen Sie das benötigte Ersatzteil aus der Ersatzteilliste Ihres Toro Gerätes aus und bestellen Sie einfach online. Viele Toro Ersatzteile halten wir ständig in unserem Lager für Sie bereit.


Qualitätsmanagement
Informieren Sie uns, wenn Sie einen Fehler gefunden haben.


