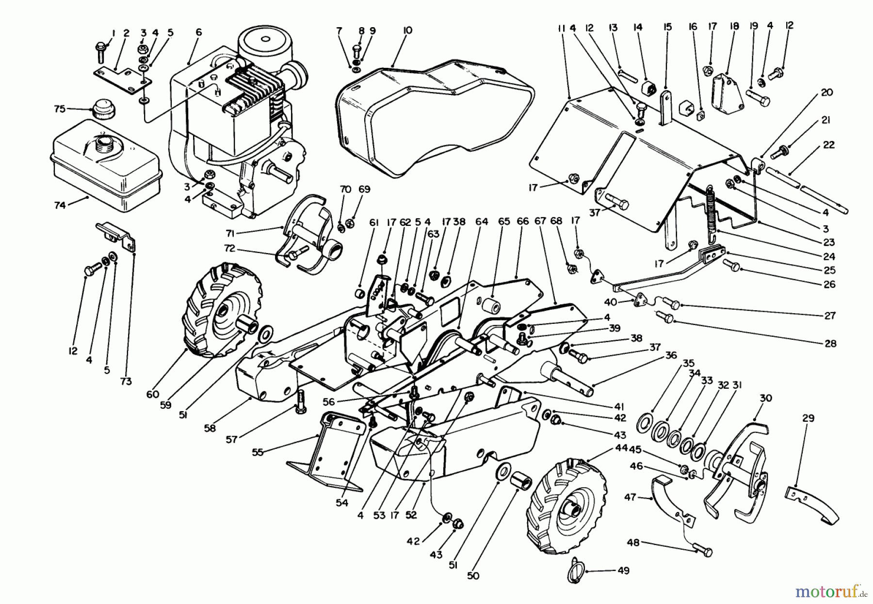
Toro 58170 - 22" Tiller, 1983 (3000001-3999999) ENGINE AND FRAME ASSEMBLY Ersatzteile
ENGINE AND FRAME ASSEMBLY 58170 - Toro 22" Tiller, 1983 (3000001-3999999)

Hier finden Sie die Ersatzteilzeichnung für Toro Neu Tillers/Cultivators 58170 - Toro 22" Tiller, 1983 (3000001-3999999) ENGINE AND FRAME ASSEMBLY. Wählen Sie das benötigte Ersatzteil aus der Ersatzteilliste Ihres Toro Gerätes aus und bestellen Sie einfach online. Viele Toro Ersatzteile halten wir ständig in unserem Lager für Sie bereit.


Qualitätsmanagement
Informieren Sie uns, wenn Sie einen Fehler gefunden haben.


