Toro 58150 - 18" Tiller, 1983 (3000001-3999999) HANDLE ASSEMBLY Ersatzteile
HANDLE ASSEMBLY 58150 - Toro 18" Tiller, 1983 (3000001-3999999)

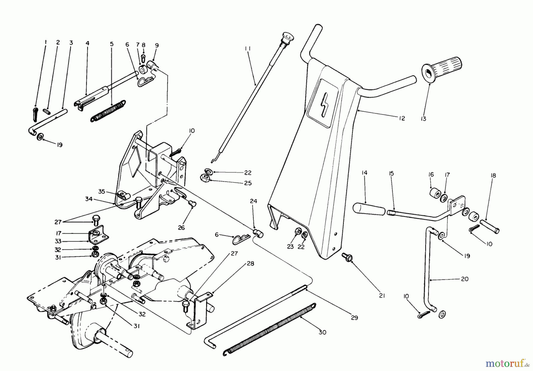
Hier finden Sie die Ersatzteilzeichnung für Toro Neu Tillers/Cultivators 58150 - Toro 18" Tiller, 1983 (3000001-3999999) HANDLE ASSEMBLY. Wählen Sie das benötigte Ersatzteil aus der Ersatzteilliste Ihres Toro Gerätes aus und bestellen Sie einfach online. Viele Toro Ersatzteile halten wir ständig in unserem Lager für Sie bereit.


Qualitätsmanagement
Informieren Sie uns, wenn Sie einen Fehler gefunden haben.


