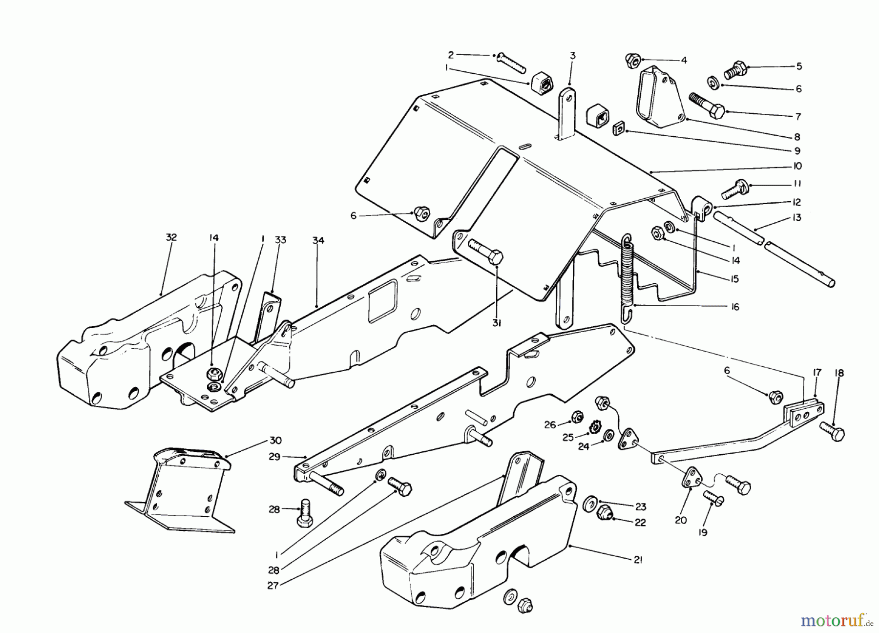
Toro 58150 - 18" Tiller, 1983 (3000001-3999999) FRAME AND SHIELD ASSEMBLY Ersatzteile
FRAME AND SHIELD ASSEMBLY 58150 - Toro 18" Tiller, 1983 (3000001-3999999)

Hier finden Sie die Ersatzteilzeichnung für Toro Neu Tillers/Cultivators 58150 - Toro 18" Tiller, 1983 (3000001-3999999) FRAME AND SHIELD ASSEMBLY. Wählen Sie das benötigte Ersatzteil aus der Ersatzteilliste Ihres Toro Gerätes aus und bestellen Sie einfach online. Viele Toro Ersatzteile halten wir ständig in unserem Lager für Sie bereit.


Qualitätsmanagement
Informieren Sie uns, wenn Sie einen Fehler gefunden haben.


