Toro 58150 - 18" Tiller, 1983 (3000001-3999999) ENGINE BRIGGS & STRATTON MODEL 130292-1671-02 #1 Ersatzteile
ENGINE BRIGGS & STRATTON MODEL 130292-1671-02 #1 58150 - Toro 18" Tiller, 1983 (3000001-3999999)

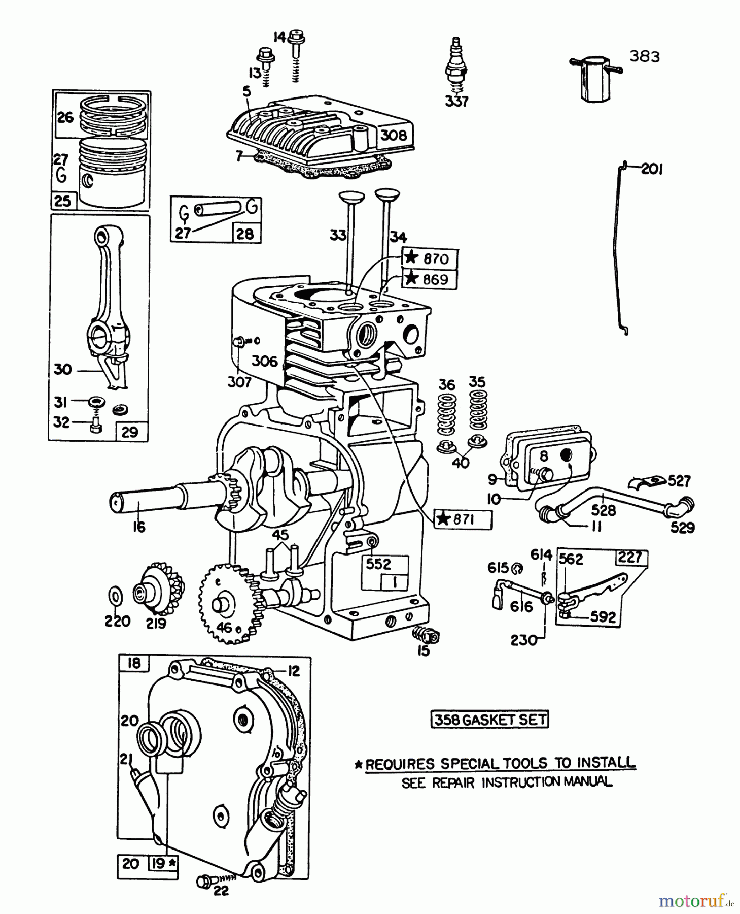
Hier finden Sie die Ersatzteilzeichnung für Toro Neu Tillers/Cultivators 58150 - Toro 18" Tiller, 1983 (3000001-3999999) ENGINE BRIGGS & STRATTON MODEL 130292-1671-02 #1. Wählen Sie das benötigte Ersatzteil aus der Ersatzteilliste Ihres Toro Gerätes aus und bestellen Sie einfach online. Viele Toro Ersatzteile halten wir ständig in unserem Lager für Sie bereit.


Qualitätsmanagement
Informieren Sie uns, wenn Sie einen Fehler gefunden haben.

