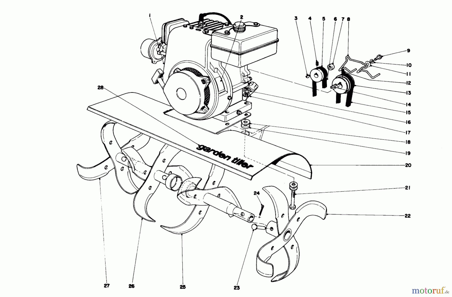
Toro 58116 - 26" Tiller, 1975 (5000001-5999999) TINE AND ENGINE ASSEMBLY Ersatzteile
TINE AND ENGINE ASSEMBLY 58116 - Toro 26" Tiller, 1975 (5000001-5999999)

Hier finden Sie die Ersatzteilzeichnung für Toro Neu Tillers/Cultivators 58116 - Toro 26" Tiller, 1975 (5000001-5999999) TINE AND ENGINE ASSEMBLY. Wählen Sie das benötigte Ersatzteil aus der Ersatzteilliste Ihres Toro Gerätes aus und bestellen Sie einfach online. Viele Toro Ersatzteile halten wir ständig in unserem Lager für Sie bereit.


Qualitätsmanagement
Informieren Sie uns, wenn Sie einen Fehler gefunden haben.

