Toro 58100 - 26" Tiller, 1969 (9000001-9999999) REWIND STARTER ASSEMBLY AND PARTS LIST Ersatzteile
REWIND STARTER ASSEMBLY AND PARTS LIST 58100 - Toro 26" Tiller, 1969 (9000001-9999999)

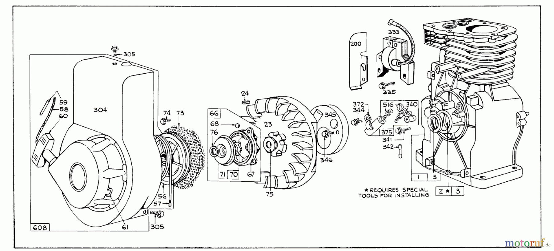
Hier finden Sie die Ersatzteilzeichnung für Toro Neu Tillers/Cultivators 58100 - Toro 26" Tiller, 1969 (9000001-9999999) REWIND STARTER ASSEMBLY AND PARTS LIST. Wählen Sie das benötigte Ersatzteil aus der Ersatzteilliste Ihres Toro Gerätes aus und bestellen Sie einfach online. Viele Toro Ersatzteile halten wir ständig in unserem Lager für Sie bereit.
| BildNr | Artikel Nummer | Bezeichnung | |
| 1 | TR297566 | ||
| 2 | BS297565 | ZYLINDERBUECHSE | |
| 3 | BS89660 | ||
| 23 | BS297229 | VERWEIS ZU | |
| 24 | BS61760 | ||
| 56 | TR298738 | ||
| 57 | BS294303 | VERWEIS ZU | |
| 58 | BS66694 | ||
| 59 | BS230228 | VERWEIS-NR. 230228S | |
| 60 | BS66728 | ||
| 61 | BS68618 | GLEITRING | |
| 66 | BS298310 | VERWEIS ZU | |
| 67 | BS211383 | ||
| 68 | BS63770 | ||
| 70 | BS298436 | VERWEIS ZU | |
| 71 | BS221653 | VERWEIS-NR. 394506 | |
| 73 | BS221661 | VERWEIS ZU | |
| 344 | BS93042 | ||
| 75 | BS220865 | VERWEIS ZU | |
| 76 | BS68238 | ||
| 200 | BS221480 | VERWEIS-NR. 691745 | |
| 304 | TR297596 | ||
| 305 | BS93158 | ||
| 333 | BS298316 | VERWEIS ZU | |
| 335 | BS93414 | ||
| 340 | BS26018 | FEDER-HEBEL | |
| 341 | BS93381 | ||
| 342 | BS65704 | ||
| 344 | BS93042 | ||
| 345 | BS220366 | UNTERBRECHERDECKEL | |
| 346 | BS93014 | ||
| 372 | BS220477 | KONDENSATORKLEMME | |
| 375 | ![]() | BS294628 | UNTERBRECHER 292589 |
| 516 | BS260374 | FEDER | |
| 608 | BS297259 | VERWEIS ZU | |




