Toro 58050 - 22" Tiller, 1983 (3000001-3999999) TILLER ASSEMBLY Ersatzteile
TILLER ASSEMBLY 58050 - Toro 22" Tiller, 1983 (3000001-3999999)

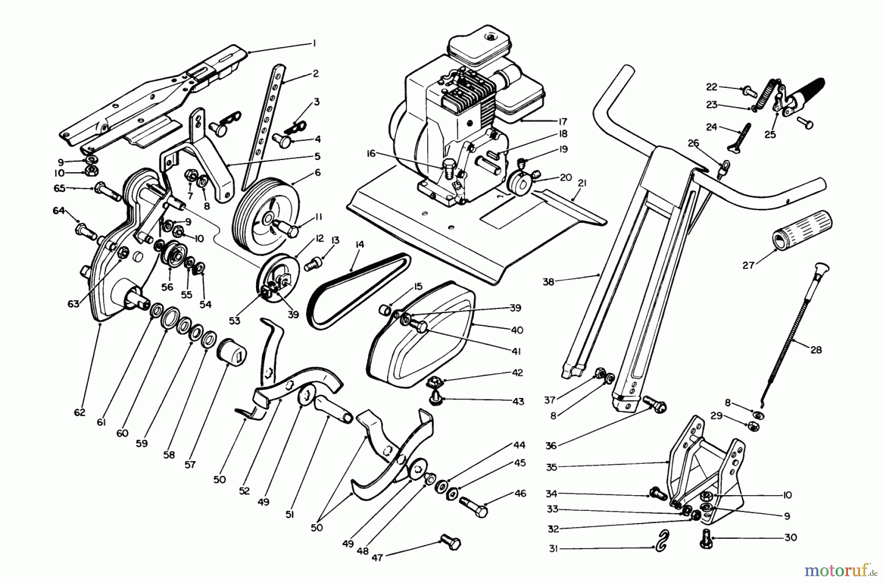
Hier finden Sie die Ersatzteilzeichnung für Toro Neu Tillers/Cultivators 58050 - Toro 22" Tiller, 1983 (3000001-3999999) TILLER ASSEMBLY. Wählen Sie das benötigte Ersatzteil aus der Ersatzteilliste Ihres Toro Gerätes aus und bestellen Sie einfach online. Viele Toro Ersatzteile halten wir ständig in unserem Lager für Sie bereit.


Qualitätsmanagement
Informieren Sie uns, wenn Sie einen Fehler gefunden haben.

