Toro 58007 - 20" Tiller, 1979 (9000001-9999999) MAGNETO NO. 610940A Ersatzteile
MAGNETO NO. 610940A 58007 - Toro 20" Tiller, 1979 (9000001-9999999)

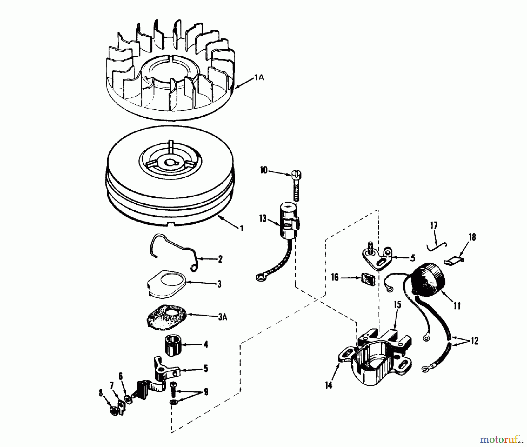
Hier finden Sie die Ersatzteilzeichnung für Toro Neu Tillers/Cultivators 58007 - Toro 20" Tiller, 1979 (9000001-9999999) MAGNETO NO. 610940A. Wählen Sie das benötigte Ersatzteil aus der Ersatzteilliste Ihres Toro Gerätes aus und bestellen Sie einfach online. Viele Toro Ersatzteile halten wir ständig in unserem Lager für Sie bereit.


Qualitätsmanagement
Informieren Sie uns, wenn Sie einen Fehler gefunden haben.

