Toro 96-42ST01 - 42" Snowthrower, 1979 SNOWTHROWER-42 IN. (107 CM) VEHICLE IDENTIFICATION NUMBER 96-42ST01 #1 Ersatzteile
SNOWTHROWER-42 IN. (107 CM) VEHICLE IDENTIFICATION NUMBER 96-42ST01 #1 96-42ST01 - Toro 42" Snowthrower, 1979

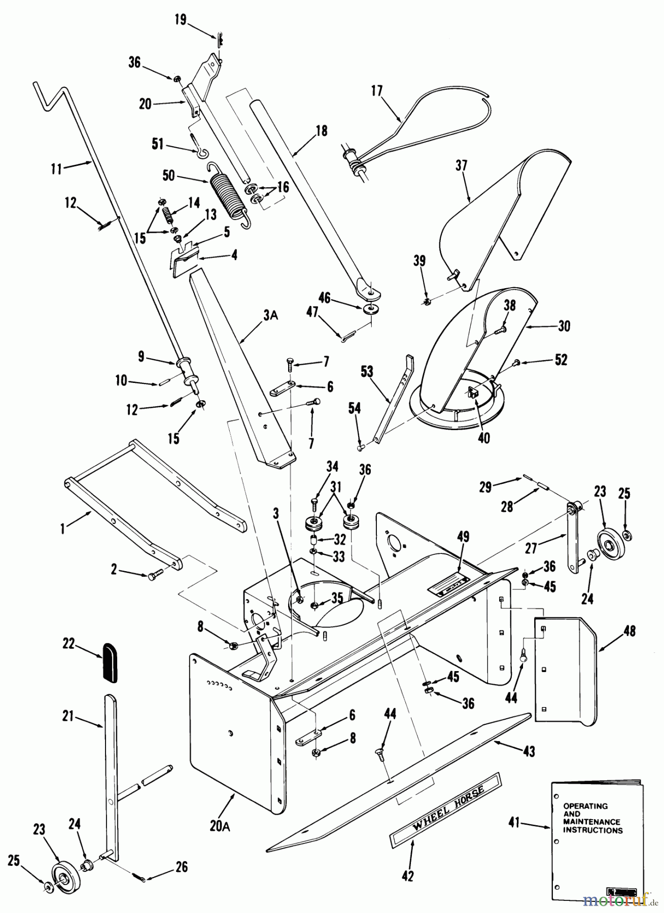
Hier finden Sie die Ersatzteilzeichnung für Toro Neu Snow Blowers/Snow Throwers Seite 2 96-42ST01 - Toro 42" Snowthrower, 1979 SNOWTHROWER-42 IN. (107 CM) VEHICLE IDENTIFICATION NUMBER 96-42ST01 #1. Wählen Sie das benötigte Ersatzteil aus der Ersatzteilliste Ihres Toro Gerätes aus und bestellen Sie einfach online. Viele Toro Ersatzteile halten wir ständig in unserem Lager für Sie bereit.


Qualitätsmanagement
Informieren Sie uns, wenn Sie einen Fehler gefunden haben.

