Toro 86-42ST01 - 42" Snowthrower, 1978 SNOWTHROWER-42 IN. (107 CM)(VEHICLE IDENTIFICATION NUMBER 86-42ST01) #1 Ersatzteile
SNOWTHROWER-42 IN. (107 CM)(VEHICLE IDENTIFICATION NUMBER 86-42ST01) #1 86-42ST01 - Toro 42" Snowthrower, 1978

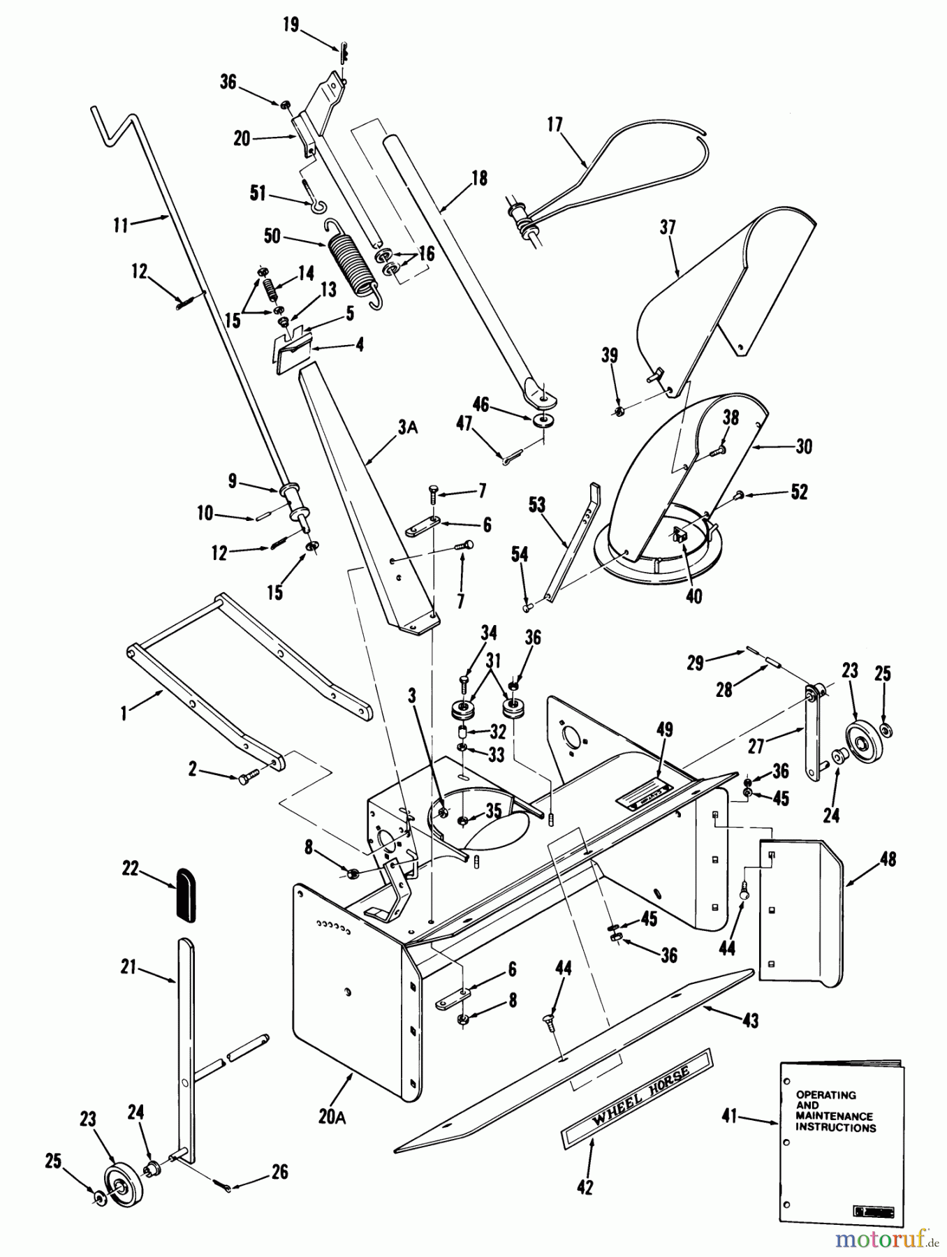
Hier finden Sie die Ersatzteilzeichnung für Toro Neu Snow Blowers/Snow Throwers Seite 2 86-42ST01 - Toro 42" Snowthrower, 1978 SNOWTHROWER-42 IN. (107 CM)(VEHICLE IDENTIFICATION NUMBER 86-42ST01) #1. Wählen Sie das benötigte Ersatzteil aus der Ersatzteilliste Ihres Toro Gerätes aus und bestellen Sie einfach online. Viele Toro Ersatzteile halten wir ständig in unserem Lager für Sie bereit.


Qualitätsmanagement
Informieren Sie uns, wenn Sie einen Fehler gefunden haben.

