Toro 6-6213 - 42" Snowthrower, 1974 PARTS LIST-SNOW THROWER MODEL 6-6213 Ersatzteile
PARTS LIST-SNOW THROWER MODEL 6-6213 6-6213 - Toro 42" Snowthrower, 1974

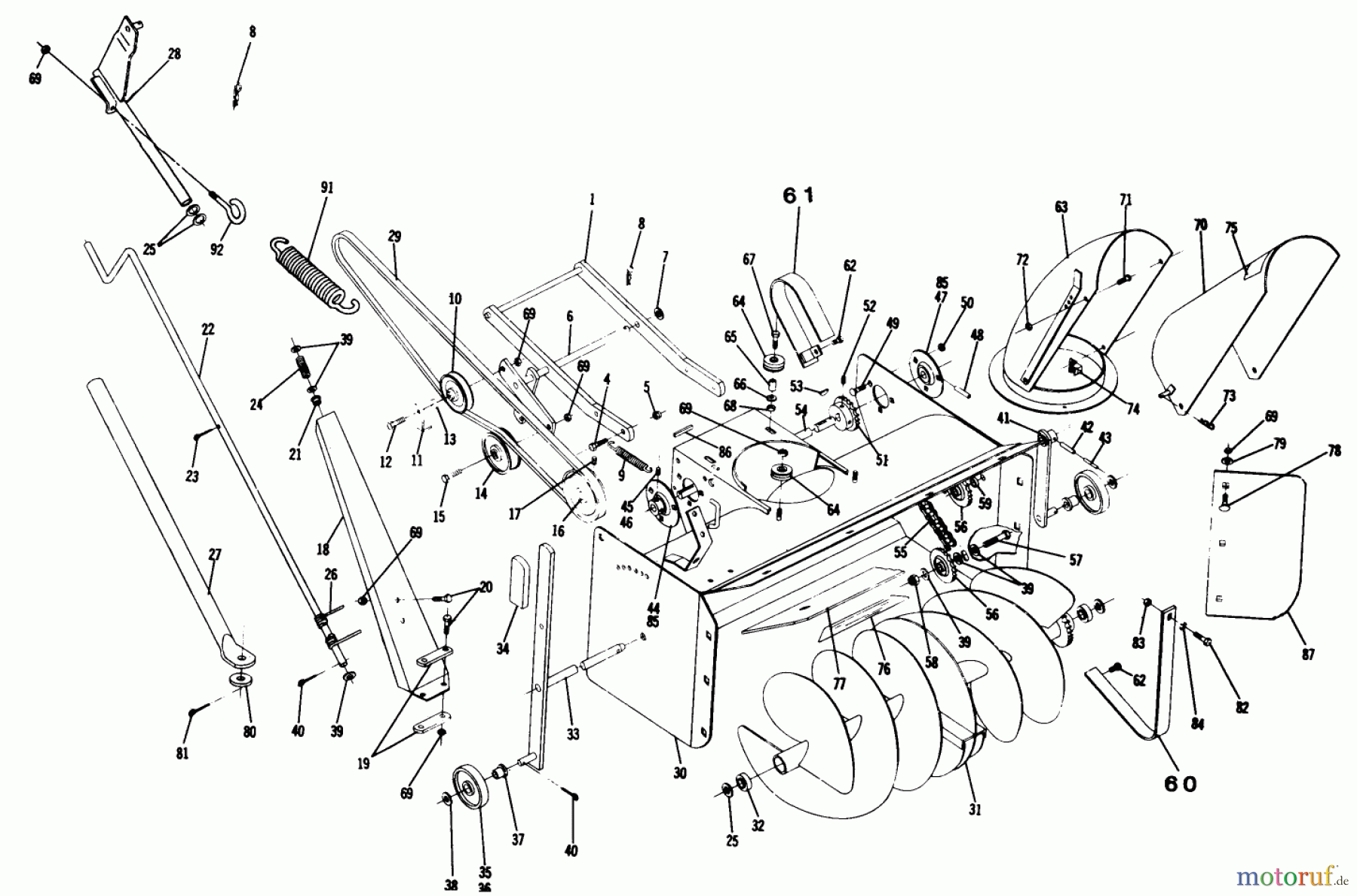
Hier finden Sie die Ersatzteilzeichnung für Toro Neu Snow Blowers/Snow Throwers Seite 2 6-6213 - Toro 42" Snowthrower, 1974 PARTS LIST-SNOW THROWER MODEL 6-6213. Wählen Sie das benötigte Ersatzteil aus der Ersatzteilliste Ihres Toro Gerätes aus und bestellen Sie einfach online. Viele Toro Ersatzteile halten wir ständig in unserem Lager für Sie bereit.



