Toro 6-3251 - 32" Snowthrower, 1972 PARTS LIST SNOW THROWER 6-3251 Ersatzteile
PARTS LIST SNOW THROWER 6-3251 6-3251 - Toro 32" Snowthrower, 1972

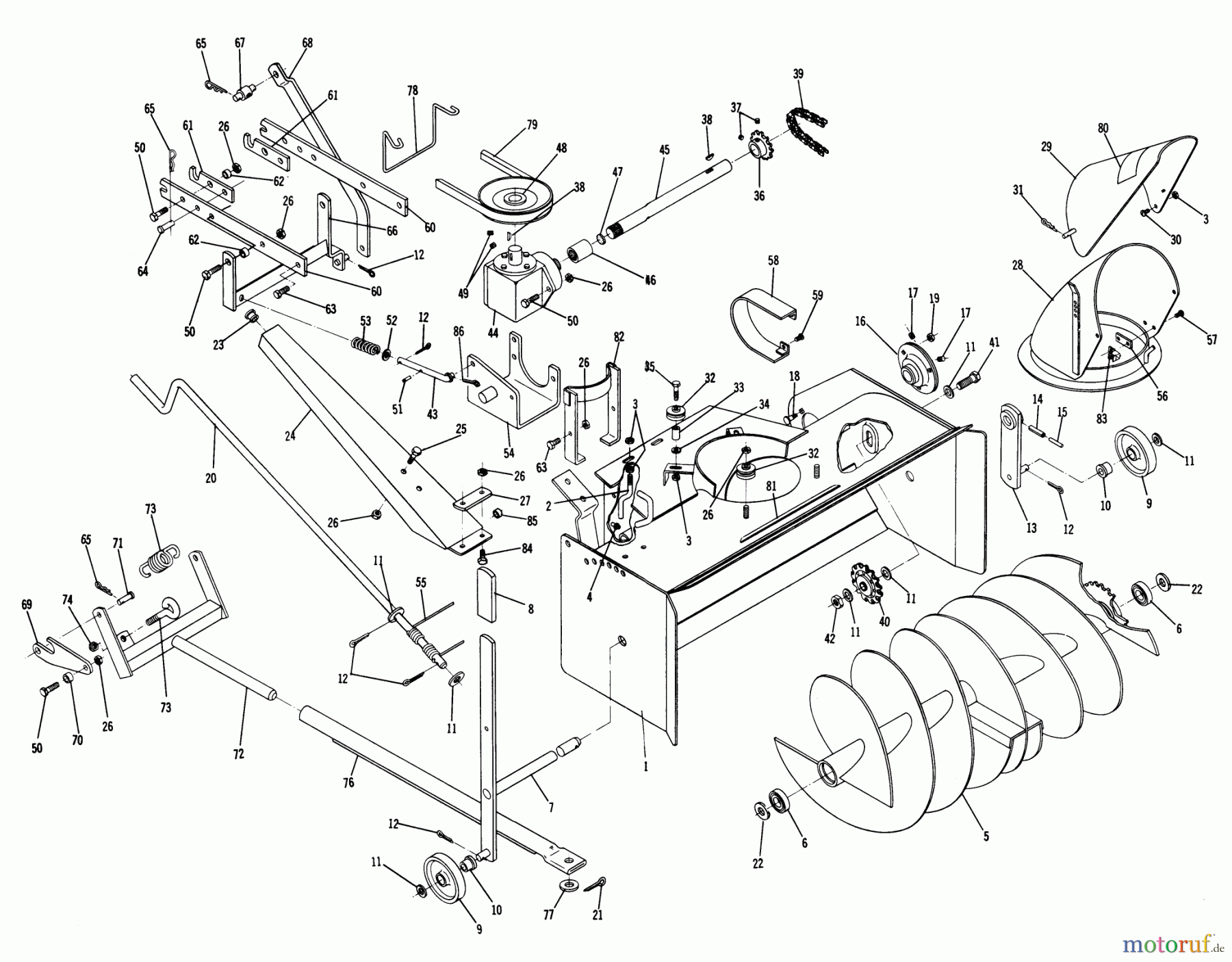
Hier finden Sie die Ersatzteilzeichnung für Toro Neu Snow Blowers/Snow Throwers Seite 2 6-3251 - Toro 32" Snowthrower, 1972 PARTS LIST SNOW THROWER 6-3251. Wählen Sie das benötigte Ersatzteil aus der Ersatzteilliste Ihres Toro Gerätes aus und bestellen Sie einfach online. Viele Toro Ersatzteile halten wir ständig in unserem Lager für Sie bereit.


Qualitätsmanagement
Informieren Sie uns, wenn Sie einen Fehler gefunden haben.

