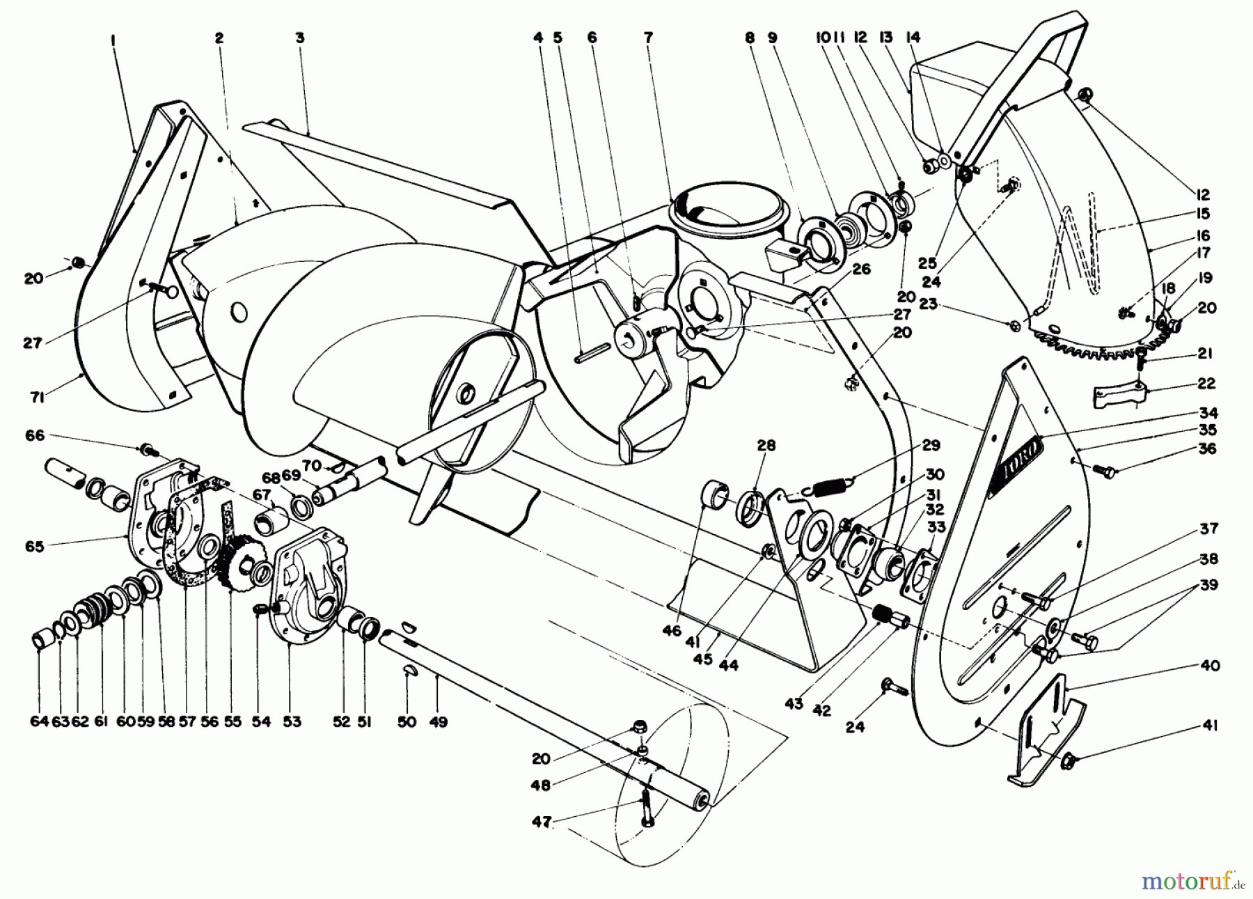
Toro 59160 - 36" Snowthrower, 1984 (4000001-4999999) AUGER ASSEMBLY Ersatzteile
AUGER ASSEMBLY 59160 - Toro 36" Snowthrower, 1984 (4000001-4999999)

Hier finden Sie die Ersatzteilzeichnung für Toro Neu Snow Blowers/Snow Throwers Seite 2 59160 - Toro 36" Snowthrower, 1984 (4000001-4999999) AUGER ASSEMBLY. Wählen Sie das benötigte Ersatzteil aus der Ersatzteilliste Ihres Toro Gerätes aus und bestellen Sie einfach online. Viele Toro Ersatzteile halten wir ständig in unserem Lager für Sie bereit.







