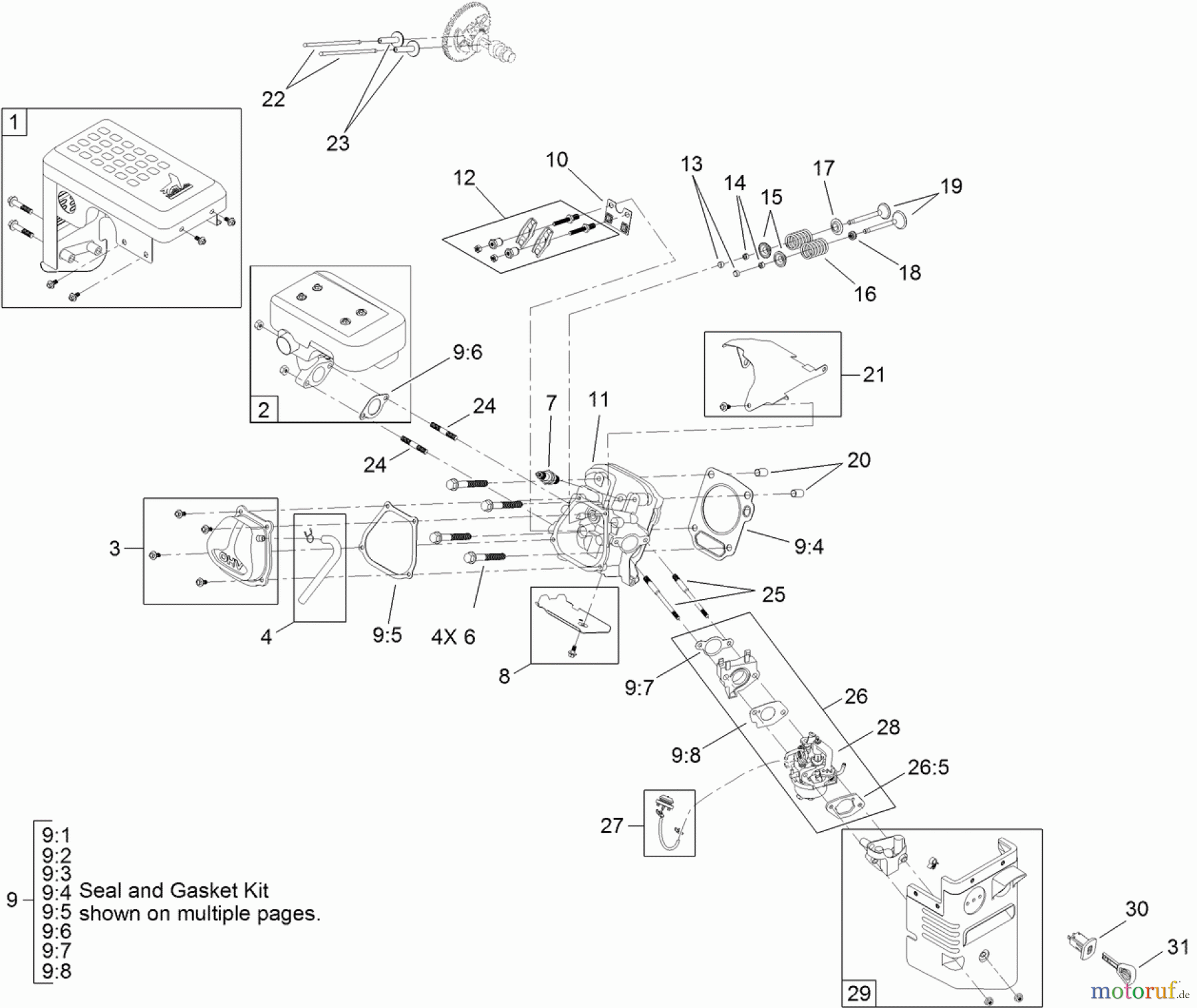
Toro 38820 (926 OXE) - Power Max Heavy Duty 926 OXE Snowthrower, 2013 (SN 313000001-313999999) MUFFLER, CYLINDER HEAD AND CARBURETOR ENGINE ASSEMBLY Ersatzteile
MUFFLER, CYLINDER HEAD AND CARBURETOR ENGINE ASSEMBLY 38820 (926 OXE) - Toro Power Max Heavy Duty 926 OXE Snowthrower, 2013 (SN 313000001-313999999)

Hier finden Sie die Ersatzteilzeichnung für Toro Neu Snow Blowers/Snow Throwers Seite 2 38820 (926 OXE) - Toro Power Max Heavy Duty 926 OXE Snowthrower, 2013 (SN 313000001-313999999) MUFFLER, CYLINDER HEAD AND CARBURETOR ENGINE ASSEMBLY. Wählen Sie das benötigte Ersatzteil aus der Ersatzteilliste Ihres Toro Gerätes aus und bestellen Sie einfach online. Viele Toro Ersatzteile halten wir ständig in unserem Lager für Sie bereit.


Qualitätsmanagement
Informieren Sie uns, wenn Sie einen Fehler gefunden haben.

