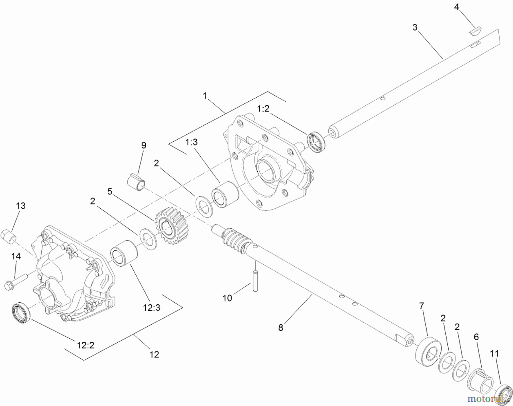
Toro 38810 (724 OE) - Power Max 724 OE Snowthrower, 2013 (SN 313000001-313999999) 24 INCH AUGER GEARCASE ASSEMBLY NO. 120-3859 Ersatzteile
24 INCH AUGER GEARCASE ASSEMBLY NO. 120-3859 38810 (724 OE) - Toro Power Max 724 OE Snowthrower, 2013 (SN 313000001-313999999)

Hier finden Sie die Ersatzteilzeichnung für Toro Neu Snow Blowers/Snow Throwers Seite 2 38810 (724 OE) - Toro Power Max 724 OE Snowthrower, 2013 (SN 313000001-313999999) 24 INCH AUGER GEARCASE ASSEMBLY NO. 120-3859. Wählen Sie das benötigte Ersatzteil aus der Ersatzteilliste Ihres Toro Gerätes aus und bestellen Sie einfach online. Viele Toro Ersatzteile halten wir ständig in unserem Lager für Sie bereit.


Qualitätsmanagement
Informieren Sie uns, wenn Sie einen Fehler gefunden haben.

