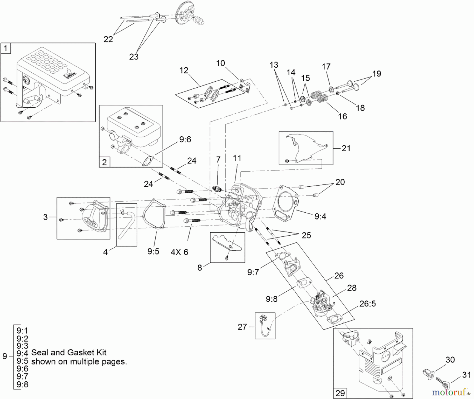
Toro 38660 (928 OE) - Power Max Heavy Duty 928 OE Snowthrower, 2013 (SN 313000001-313999999) MUFFLER, CYLINDERHEAD AND CARBURETOR ENGINE ASSEMBLY Ersatzteile
MUFFLER, CYLINDERHEAD AND CARBURETOR ENGINE ASSEMBLY 38660 (928 OE) - Toro Power Max Heavy Duty 928 OE Snowthrower, 2013 (SN 313000001-313999999)

Hier finden Sie die Ersatzteilzeichnung für Toro Neu Snow Blowers/Snow Throwers Seite 2 38660 (928 OE) - Toro Power Max Heavy Duty 928 OE Snowthrower, 2013 (SN 313000001-313999999) MUFFLER, CYLINDERHEAD AND CARBURETOR ENGINE ASSEMBLY. Wählen Sie das benötigte Ersatzteil aus der Ersatzteilliste Ihres Toro Gerätes aus und bestellen Sie einfach online. Viele Toro Ersatzteile halten wir ständig in unserem Lager für Sie bereit.



