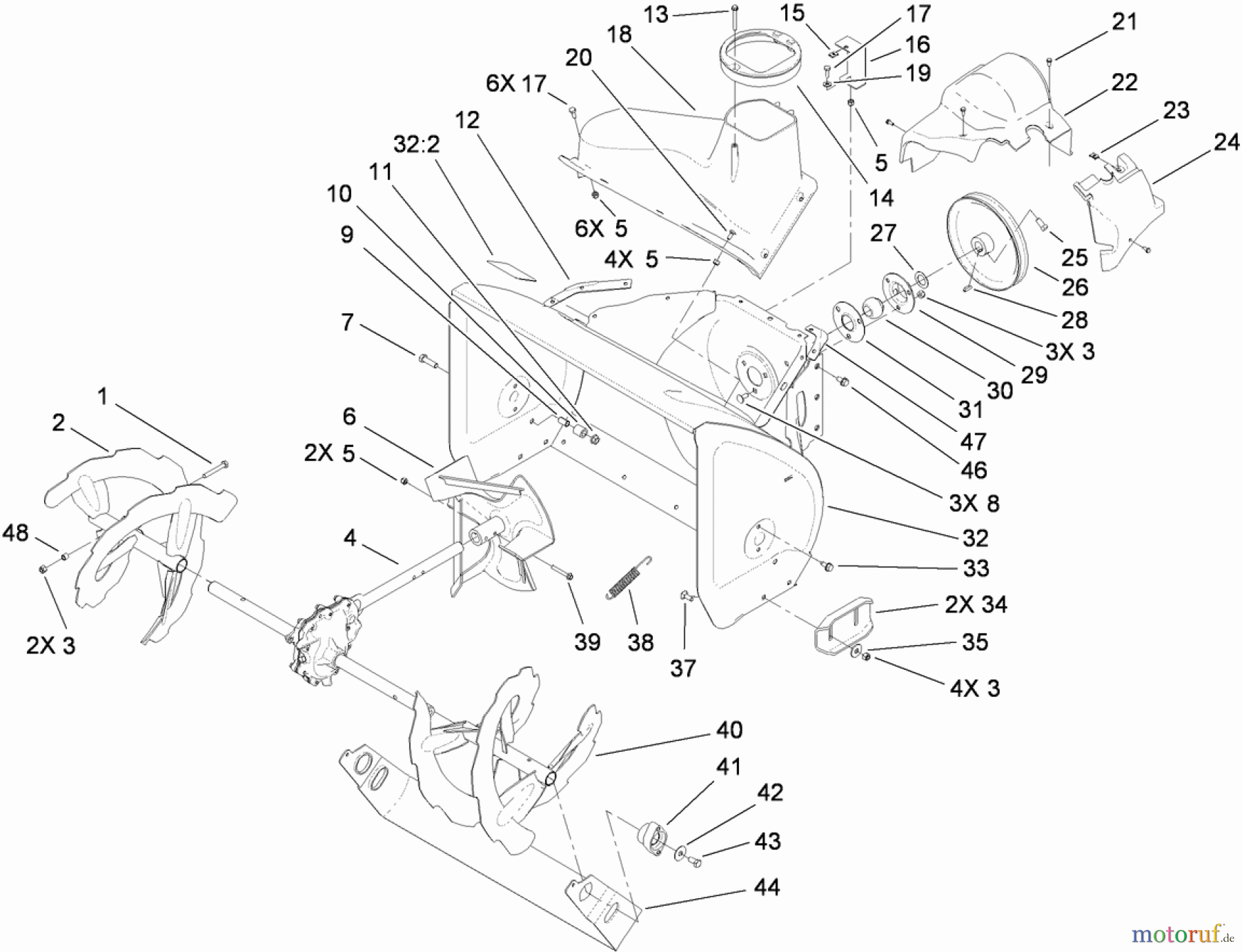
Toro 38654 (1128 OXE) - Power Max 1128 OXE Snowthrower, 2010 (310000001-310999999) AUGER AND HOUSING ASSEMBLY Ersatzteile
AUGER AND HOUSING ASSEMBLY 38654 (1128 OXE) - Toro Power Max 1128 OXE Snowthrower, 2010 (310000001-310999999)

Hier finden Sie die Ersatzteilzeichnung für Toro Neu Snow Blowers/Snow Throwers Seite 2 38654 (1128 OXE) - Toro Power Max 1128 OXE Snowthrower, 2010 (310000001-310999999) AUGER AND HOUSING ASSEMBLY. Wählen Sie das benötigte Ersatzteil aus der Ersatzteilliste Ihres Toro Gerätes aus und bestellen Sie einfach online. Viele Toro Ersatzteile halten wir ständig in unserem Lager für Sie bereit.









