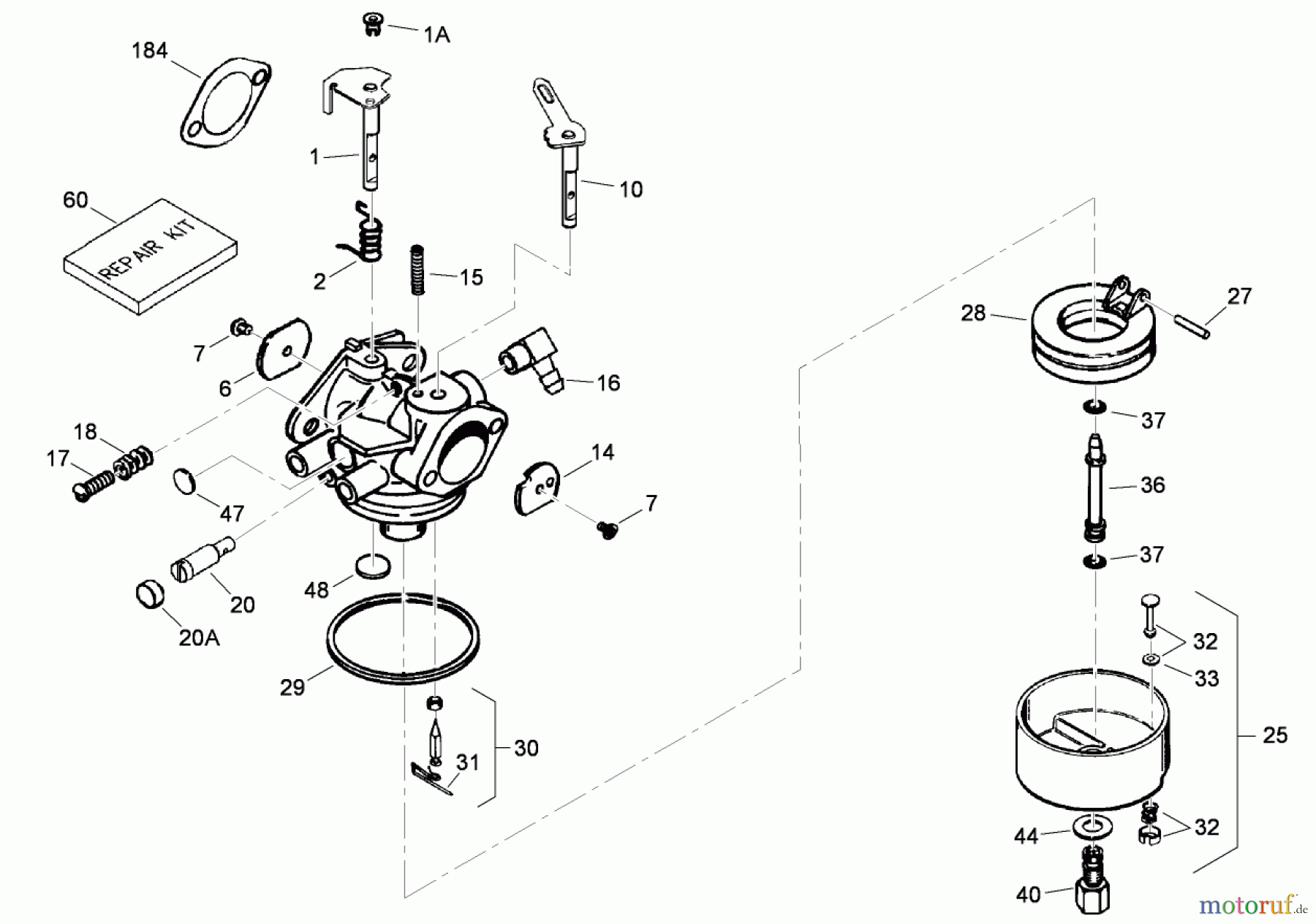
Toro 38650 (1128 OXE) - Power Max 1128 OXE Snowthrower, 2007 (270000001-270999999) CARBURETOR ASSEMBLY NO. 640169 TECUMSEH OH318SA-221812B Ersatzteile
CARBURETOR ASSEMBLY NO. 640169 TECUMSEH OH318SA-221812B 38650 (1128 OXE) - Toro Power Max 1128 OXE Snowthrower, 2007 (270000001-270999999)

Hier finden Sie die Ersatzteilzeichnung für Toro Neu Snow Blowers/Snow Throwers Seite 2 38650 (1128 OXE) - Toro Power Max 1128 OXE Snowthrower, 2007 (270000001-270999999) CARBURETOR ASSEMBLY NO. 640169 TECUMSEH OH318SA-221812B. Wählen Sie das benötigte Ersatzteil aus der Ersatzteilliste Ihres Toro Gerätes aus und bestellen Sie einfach online. Viele Toro Ersatzteile halten wir ständig in unserem Lager für Sie bereit.






