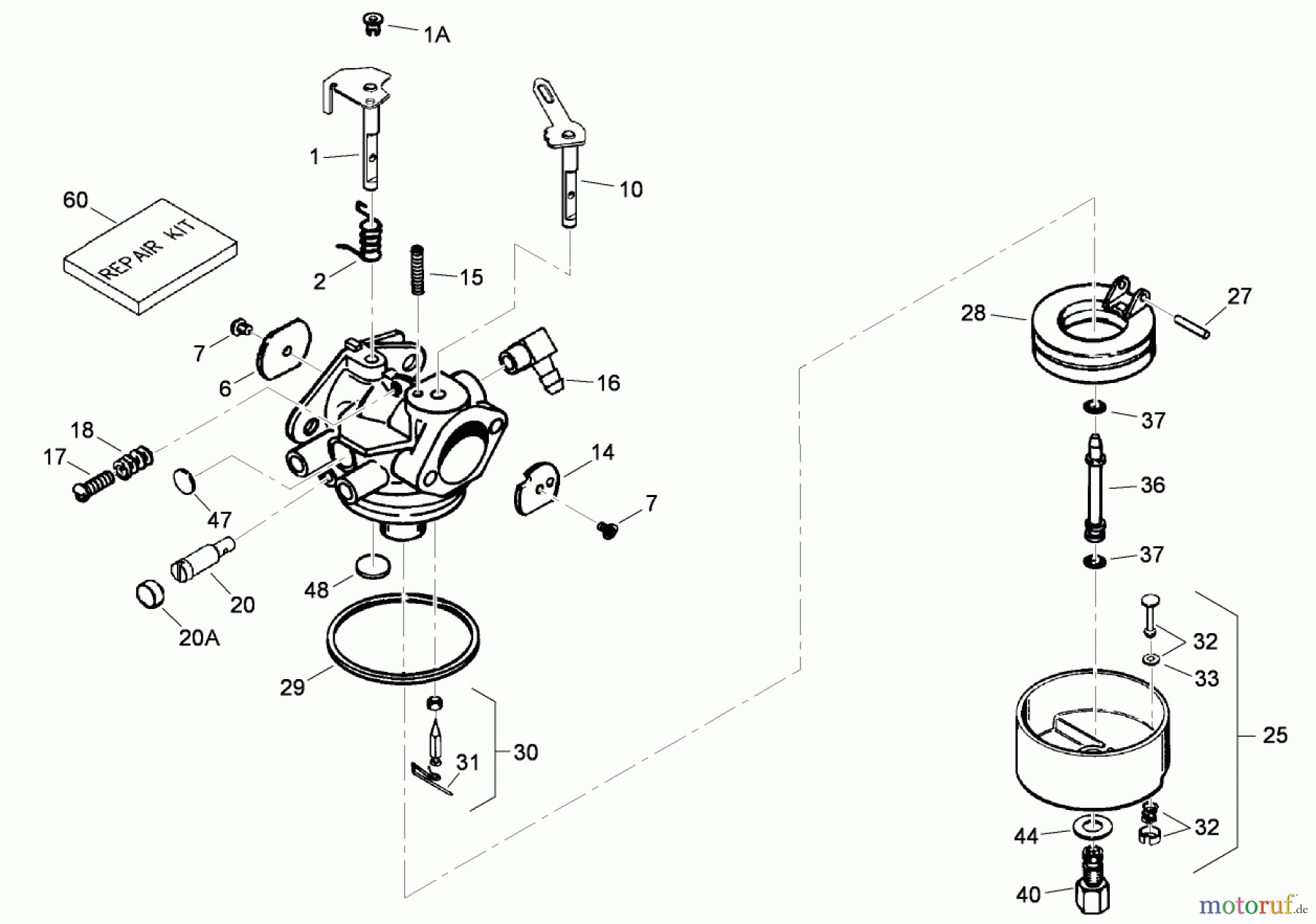
Toro 38650 (1128 OXE) - Power Max 1128 OXE Snowthrower, 2005 (250010001-250999999) CARBURETOR ASSEMBLY NO. 640169 TECUMSEH OHSK110-221734D Ersatzteile
CARBURETOR ASSEMBLY NO. 640169 TECUMSEH OHSK110-221734D 38650 (1128 OXE) - Toro Power Max 1128 OXE Snowthrower, 2005 (250010001-250999999)

Hier finden Sie die Ersatzteilzeichnung für Toro Neu Snow Blowers/Snow Throwers Seite 2 38650 (1128 OXE) - Toro Power Max 1128 OXE Snowthrower, 2005 (250010001-250999999) CARBURETOR ASSEMBLY NO. 640169 TECUMSEH OHSK110-221734D. Wählen Sie das benötigte Ersatzteil aus der Ersatzteilliste Ihres Toro Gerätes aus und bestellen Sie einfach online. Viele Toro Ersatzteile halten wir ständig in unserem Lager für Sie bereit.


Qualitätsmanagement
Informieren Sie uns, wenn Sie einen Fehler gefunden haben.




