Toro 38642 (1028 LE) - Power Max 1028 LE Snowthrower, 2004 (240000001-240999999) ELECTRIC STARTER (110 VOLT) PART NO. 33329E Ersatzteile
ELECTRIC STARTER (110 VOLT) PART NO. 33329E 38642 (1028 LE) - Toro Power Max 1028 LE Snowthrower, 2004 (240000001-240999999)

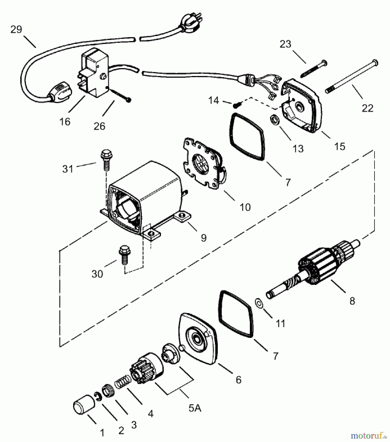
Hier finden Sie die Ersatzteilzeichnung für Toro Neu Snow Blowers/Snow Throwers Seite 2 38642 (1028 LE) - Toro Power Max 1028 LE Snowthrower, 2004 (240000001-240999999) ELECTRIC STARTER (110 VOLT) PART NO. 33329E. Wählen Sie das benötigte Ersatzteil aus der Ersatzteilliste Ihres Toro Gerätes aus und bestellen Sie einfach online. Viele Toro Ersatzteile halten wir ständig in unserem Lager für Sie bereit.


Qualitätsmanagement
Informieren Sie uns, wenn Sie einen Fehler gefunden haben.

