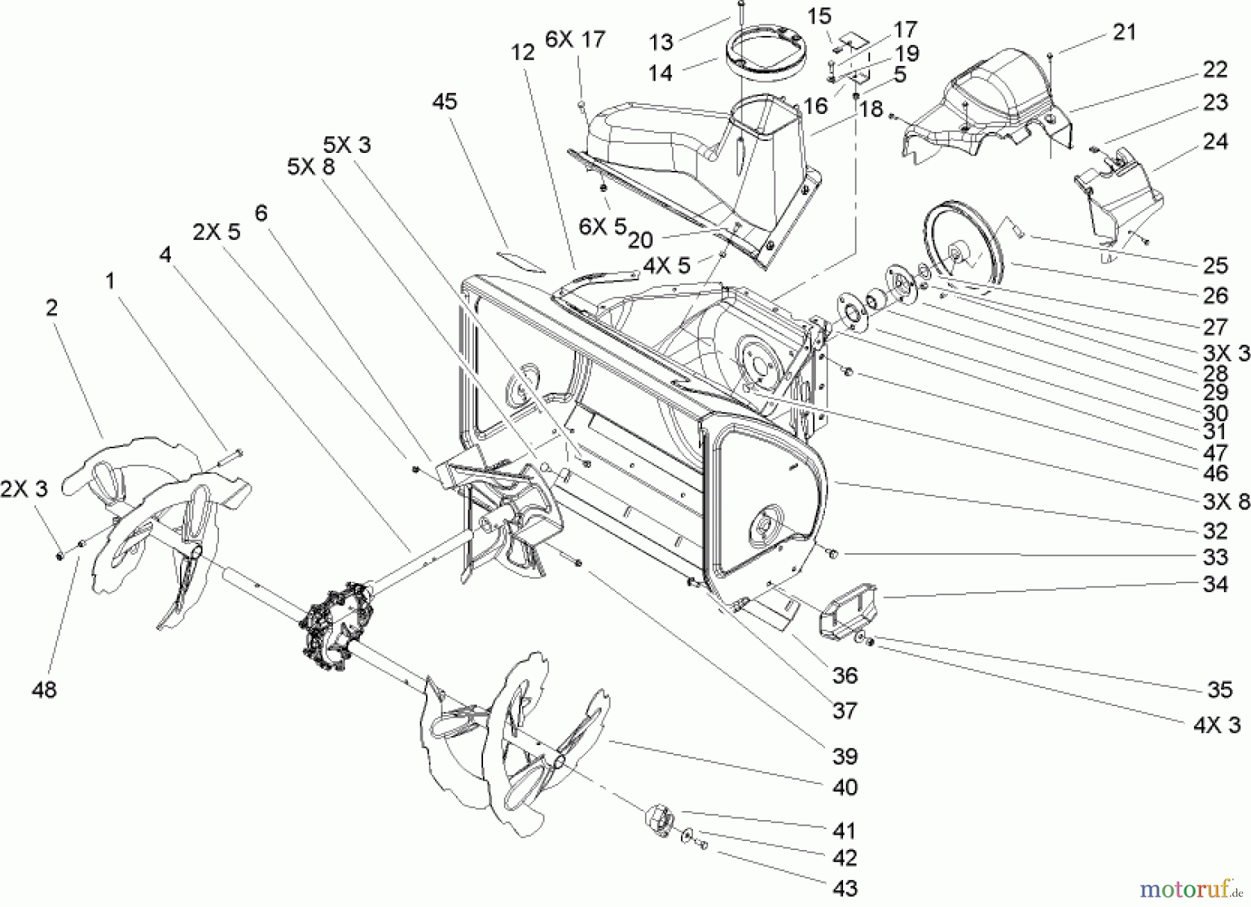
Toro 38629 (826 OE) - Power Max 826 OE Snowthrower, 2010 (310000001-310999999) AUGER AND HOUSING ASSEMBLY Ersatzteile
AUGER AND HOUSING ASSEMBLY 38629 (826 OE) - Toro Power Max 826 OE Snowthrower, 2010 (310000001-310999999)

Hier finden Sie die Ersatzteilzeichnung für Toro Neu Snow Blowers/Snow Throwers Seite 2 38629 (826 OE) - Toro Power Max 826 OE Snowthrower, 2010 (310000001-310999999) AUGER AND HOUSING ASSEMBLY. Wählen Sie das benötigte Ersatzteil aus der Ersatzteilliste Ihres Toro Gerätes aus und bestellen Sie einfach online. Viele Toro Ersatzteile halten wir ständig in unserem Lager für Sie bereit.









