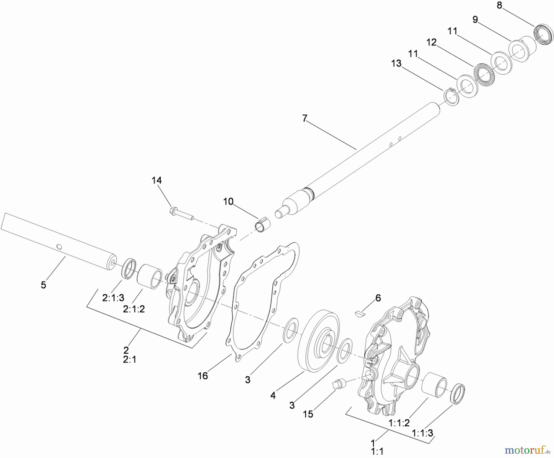
Toro 38624W (826 OXE) - Power Max 826 OXE Snowthrower, 2012 (SN 312008459-312999999) 26 INCH AUGER GEARCASE ASSEMBLY NO. 108-7328 Ersatzteile
26 INCH AUGER GEARCASE ASSEMBLY NO. 108-7328 38624W (826 OXE) - Toro Power Max 826 OXE Snowthrower, 2012 (SN 312008459-312999999)

Hier finden Sie die Ersatzteilzeichnung für Toro Neu Snow Blowers/Snow Throwers Seite 2 38624W (826 OXE) - Toro Power Max 826 OXE Snowthrower, 2012 (SN 312008459-312999999) 26 INCH AUGER GEARCASE ASSEMBLY NO. 108-7328. Wählen Sie das benötigte Ersatzteil aus der Ersatzteilliste Ihres Toro Gerätes aus und bestellen Sie einfach online. Viele Toro Ersatzteile halten wir ständig in unserem Lager für Sie bereit.




